建筑光伏系统并网电气设计原理图
建筑光伏系统并网电气设计原理图分布式光伏发电系统的并网点应安装具有隔离、保护功能的并网总断路器。断路器的选型及安装应符合开断能力应留有一定裕度、具备过电流保护功能、具备反映故障及运行状态的辅助接点及同时切断中性线的功能、具备电源端和负荷端反接能力。根据并网电流的大小可选择微型、塑壳或者框架式断路器;带隔离功能断路器可代替隔离器加断路器组合。光伏系统电能表按照计量用途分为关口计量电能表和并网电能表两类,关口计量电能表用于用户与电网间的上、下网电能计量;并网电能表用于发电量统计和电价补偿。计量装置由供电部门安装,设置要求如下表:
一、并网柜设计一次方案1
方案1说明:
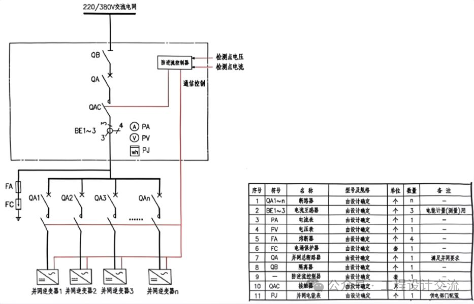
二、并网柜设计一次方案2
方案2说明: 1.当并网光伏发电系统要求为自发自用、非逆流方式时,即光伏系统所发电能仅供本地负载消耗,多余的电能不允许通过配电变压器向上级电网逆向送电,系统需配置防逆流控制装置。 2.防逆流控制器一般通过实时监测配电变压器低压侧电压、电流信号来调节并网逆变器输出功率或者断开系统输出与电网的连接,从而达到光伏并网系统的防逆流功能。 三、220/380V光伏并网接入公共配电网系统方案
注: (一)单点接入
(二)多点接入
| ||||||||||||||||








