电工一看就会的100个PLC和传感器的动画原理图!
时间:2026-04-11来源:佚名
|
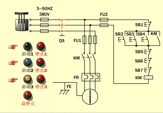
PLC和传感器动画原理图通过动态、直观的方式展示复杂系统的工作流程,能显著提升学习效率和实际应用能力,以下是其核心优势及典型应用场景: PLC顺序控制
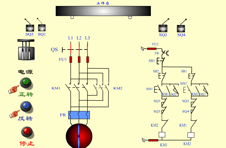
PLC正反转控制
按钮开关
冲孔加工
断电延时型时间继电器
多点控制
滚轮式行程开关
交通信号灯
机械手
交流接触器
热继电器
三相闸刀
时间继电器
手动控制
速度继电器
星三角启动
异步电动机转动原理
自动往返控制
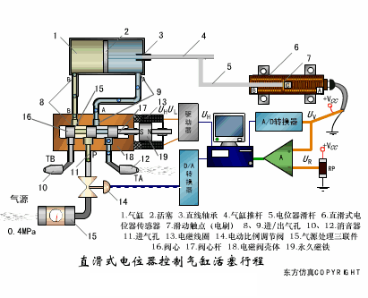
传感器工作原理动图
|






































































































