基于S7-1200PLC交流伺服电机的位置控制(内含图纸及程序)
时间:2026-04-15来源:佚名
|
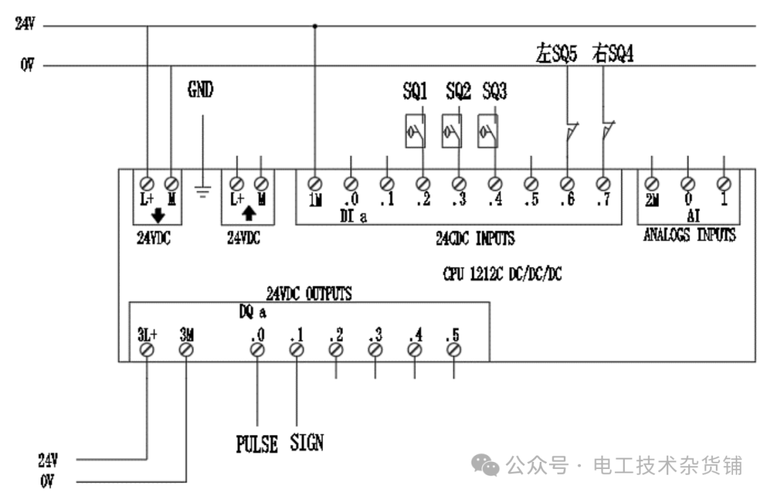
2.学会交流伺服电机的编程方法; 3.了解并熟悉交流伺服的应用。 2.ASD-B2伺服驱动器; 3.导线若干。 伺服电机旋转一周需要1000 个脉冲。(P1-44=1600,P1-45=10)
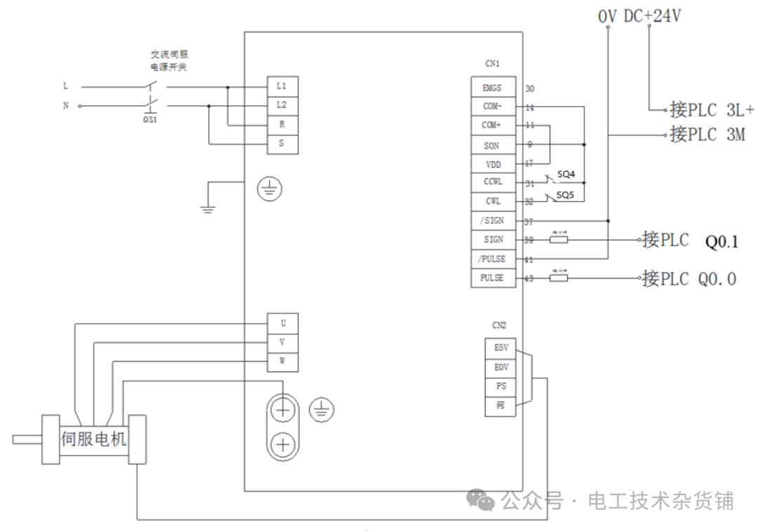
图2 伺服驱动接线
注意: (1) 当电源切断时,因为驱动器内部大电容含有大量的电荷,请不要接触R、S、T及U、V、W这6条大电力线。请等待充电灯熄灭时,方可接触。 |
|
2.学会交流伺服电机的编程方法; 3.了解并熟悉交流伺服的应用。 2.ASD-B2伺服驱动器; 3.导线若干。 伺服电机旋转一周需要1000 个脉冲。(P1-44=1600,P1-45=10)
图2 伺服驱动接线
注意: (1) 当电源切断时,因为驱动器内部大电容含有大量的电荷,请不要接触R、S、T及U、V、W这6条大电力线。请等待充电灯熄灭时,方可接触。 |








