浅谈霍尔电流传感器的原理及应用
时间:2021-10-18来源:佚名
|
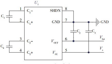
摘要:通过介绍开环式霍尔电流传感器的工作原理,在此基础上提出了一种可以输出精准直流偏置电压的直流霍尔电流传感器电路,并通过试验进行了验证。 关键词:霍尔传感器;电流传感器;直流霍尔 0 引言 近年来,霍尔电流传感器产品因具有良好的精度及线性度、检测电压与输出信号高度隔离、高可靠性、低功耗以及维修更换方便等优点,广泛应用于航空、航天、通信、仪表、冶金以及民品领域。在很多应用中要求霍尔电流传感器的零点输出为基准的2.5V,即检测电流为零时,传感器输出电压为2.5V,当检测电流为负方向时,传感器输出电压为一个小于2.5V的电压值,当检测电流正方向时,传感器输出电压为一个大于2.5V的电压值,检测电流与输出电压变化成线性关系。目前,常规的霍尔元件零点输出电压为供电电压的一半,而很多霍尔电流传感器的供电电压不是精确的固定值,而是一个范围,如4.5~5.5V等,这样会导致霍尔电流传感器的零点电压输出不稳定,甚至超过规定值。 本文简单介绍了开环霍尔电流传感器的工作原理,并根据其应用设计了一个结构简单、成本低以及体积小的电路,用于检测高达数百安培的直流电流信号并隔离输出一个有精准2.5V直流偏置电压且与检测电流成线性关系的电压信号。 1 开环式霍尔电流传感器 开环式霍尔电流传感器的工作原理如图1所示。 ![]() 图1开环式霍尔电流传感器原理框图 根据安培定律,原边被测电流I×N将产生与电流成正比的磁场B1,开口磁环气隙内的磁敏芯片直接测量B的强弱,输出霍尔电压V,V经线性放大后输出电压信Uo。当被检测电流为零时,开口磁环内零磁通,磁敏芯片的零点输出电压为供电电压的一半,即V /2,当有被检测电流穿过开口磁环时,开口磁环气隙内的霍尔芯片会检测到磁环的磁通变化,将在零点电压的基础上输出一个与磁通变化量成正比的电压值,即: OUT=V /2 KΔV(1) 式中,OUT为磁敏芯片的输出电压,V /2为零点输出电压,ΔV为磁敏芯片的灵敏度,即单位磁通变化引起的电压变化量,K为通过外围电阻调节的放大倍数。如图1所示,当磁力线从磁敏芯片的正面垂直穿过时,芯片将输出一个正向的变化量电压,即ΔV>0,反之则输出负电压变化量,即ΔV<0。 当传感器供电电压为5V时,按照式(1),传感器会输出一个有2.5V偏置电压且与电流成线性比例的电压信号,但如果供电电压不精确或者误差范围较大时,传感器输出电压的直流偏置将不精确或相应地的误差较大,如供电电压为4.6V时,传感器的零点偏置电压将是2.3V,误差太大。 目前,业界有精准直流偏置电压输出的霍尔电流传感器应用较少。常规做法是先隔离传感器的直流偏置电压,只输出一个与原边电流成线性关系的零偏置电压信号,然后再使用运放加法器加上一个由基准稳压源得到的2.5V基准电压信号,该实现方式电路相对复杂。 2 有偏置电压电路设计 本文在上述开环式霍尔电流传感器电路的基础上增加简单的电子元器件,通过升压在一定范围内变化的低压供电信号,然后经过基准稳压电路变换成一个 5.0V的基准电压,以给磁敏检测电路供电,从而产生一个2.5V的基准零点偏置电压。磁敏检测电路检测开口磁环内的磁场强度并转换成与之成线性关系的电压信号,与基准的2.5V叠加,经过电压跟随电路后输出,即实现上述有2.5V直流偏置电压输出的直流线性霍尔电流传感器输出。该电路由升压电路、基准稳压电路、磁敏检测电路以及电压跟随电路组成,原理框图如图2所示。 ![]() 图2有精准直流偏置输出的霍尔传感器 正常工作时,4.5~5.5V范围内的直流供电电压经升压电路升至一定值Vbst,如12V或其他可设定值,Vbst经基准稳压电路变换成精确的 5.0V,以给磁敏检测电路供电。磁敏检测电路检测开口磁环内的磁场强度并输出一有偏置电压的直流电压Vo1,且有: Vo1=2.5 KΔV(2) 式中,2.5V为磁敏检测电路的零点输出电压,该电压为磁敏检测电路供电电压的一半,K为磁敏检测电路放大倍数,可由外部电阻等调节,ΔV为磁敏检测电路的灵敏度,即单位检测电流变化引起的磁敏芯片输出电压变化量,该变化量由磁敏芯片内部的霍尔器件决定。Vo1经过电压跟随电路后直接输出Vout,电压跟随器的作用是提高传感器电路的带载能力,避免外接负载对传感器的输出电压造成影响。 2.1升压电路 一般传感器供电电源并不是精确的5.0V,而是一个电压范围,如4.5~5.5V,而磁敏芯片零磁通时的输出电压为供电电压的一半,为保证供电电压在允许范围内变化时磁敏芯片的零点输出稳定,需要为磁敏芯片提供一个精准的5V供电电压,即需要将4.5~5.5V供电电压抬高后再变换成精确稳定的5V电压。其原理图如图3。U1为升压芯片,可以将4.5~5.5V供电电压抬升至11.4~12.6V,最大输出电流50mA,无需电感,外围器件少,具有短路保护及过温保护等功能。 图3升压电路 2.2基准稳压电路 由于磁敏芯片的输出电压为供电电压的一半,因此为了使磁敏芯片获得精准的2.5V输出电压,需要为磁敏芯片提供精准的5V电压,故使用精密稳压电路将已经抬高的12V电压转换为精准的5V电压,为磁敏芯片供电,精密稳压电路原理图如图4。其中,D1为精密稳压电源芯片TL431,R9为限流电阻,用于限制后级电路电流,R2、R5以及R11为调压电阻,用于调节输出电压为精准的5V,精准的5V可以由分压电阻得到精准的2.5V。 ![]() 图4基准稳压电路 3试验验证 基于本文创新性电路设计的0~150A直流霍尔电流传感器,经检测后线性输出2.5~3.5V的直流电压。其测试数据如表1所示。由结果可以看出,该霍尔电流传感器零点偏差为9mV,额定电流范围内偏差为10mV。 ![]() 4安科瑞霍尔传感器产品选型 4.1产品介绍 霍尔电流传感器主要适用于交流、直流、脉冲等复杂信号的隔离转换,通过霍尔效应原理使变换后的信号能够直接被AD、DSP、PLC、二次仪表等各种采集装置直接采集和接受,响应时间快,电流测量范围宽精度高,过载能力强,线性好,抗干扰能力强。适用于电流监控及电池应用、逆变电源及太阳能电源管理系统、直流屏及直流马达驱动、电镀、焊接应用、变频器,UPS伺服控制等系统电流信号采集和反馈控制。 ![]() 图5霍尔传感器 4.2产品选型 4.2.1开口式开环霍尔电流传感器 ![]() 表1 4.2.2闭口式开环霍尔电流传感器 ![]() 表2 4.2.3闭环霍尔电流传感器 ![]() 表3 4.2.4直流漏电流传感器 ![]() 表4 5结论 本文通过使用简单的电路结构将传感器供电电压先升压后,稳压产生一个基准的稳压电压给磁敏芯片供电,使得磁敏检测电路产生一个精准的零点电压。该霍尔电流传感器具有结构简单、成本低以及体积小的特点,可用于检测高达数百安培的直流电流信号并隔离输出一个有精准2.5V直流偏置电压且与检测电流成线性关系的电压信号。 |
















