基于ZigBee技术的高校宿舍楼用电安全的应用
时间:2021-10-18来源:佚名
|
摘要:高校宿舍楼用电是校园电能消耗的重要组成部分,学生在追求宿舍舒适环境的同时也造成了电能浪费的现象。宿舍内大功率设备的使用,宿舍内“无人灯”“无人风扇”等现象的存在,宿舍内空调温度过低或过高现象,都使得宿舍楼用电过度出现用电浪费现象,尤其是大功率设备的使用也会使得宿舍出现一定的安全隐患。本文介绍了基于ZigBee无线网络技术下,通过终端节点采集宿舍内的传感器数据,从而实现宿舍楼内宿舍楼用电的智能控制,达到节约电能及消除用电安全隐患的目的。 关键词:ZigBee技术;传感器;智能控制 0引言 通过对高校宿舍用电情况分析发现,宿舍内用电比例在高校电能能耗中的比例有所提高。在生活水平提高的同时,高校学生在校用电行为也在发生着悄然改变。据调查高校学生在用电行为方面存在以下问题:用电行为遵从方便和舒适原则;使用大功率用电设备现象十分严重;个体较少购买节能、节电产品;宿舍成员间无明显的制止用电浪费行为。如何能有效地促进高校宿舍用电节能,各高校也在采取各种措施应对。高校除了从行为规范方面进行管理之外,还可以从技术控制方面进行管理。目前普通高校一般采用分时段控制管理宿舍用电,在上课时间段关闭整个宿舍照明用电,在晚上六点以后开启宿舍用电。这种方式给学生在宿舍用电造成了一定的限制。照明线路的控制主要可以分为有线控制和无线控制,照明线路的有线控制控制简单,但布线复杂;基于无线通信技术的照明控制系统布线简单,可扩展性强。目前室内通信比较主流的技术有蓝牙、ZigBee技术、WiFi技术等。因此我们可以利用这些通信技术,对宿舍楼内各房间用电照明进行远程监控和管理。本文将介绍基于ZigBee技术的组网设计,将宿舍内各方面照明用电系统进行组网,并通过WiFi技术与PC机端相连,从而可以实现对整个宿舍楼各个照明节点的远程协助控制。 1系统控制的整体方案设计 1.1手动控制模式 为了便于检修,宿舍回路的通断采用了自动及手动控制两种方式,通过电气柜上的转换开关进行切换,如图1所示,当QF闭合情况下,转换开关的触点2接通时,宿舍内照明的通断主要由手动开关S控制。手动控制完全独立于自动控制,这便于物业管理人员对回路进行检修。 1.2自动控制模式 当转换开关的触点3接通时,宿舍用电回路处于自动状态。自动控制在控制方面可以设计为无线控制与时间控制共同控制,当无线控制出现故障是,可以采用时间控制进行自动控制。控制电路如图2所示。
图1手自动控制电路
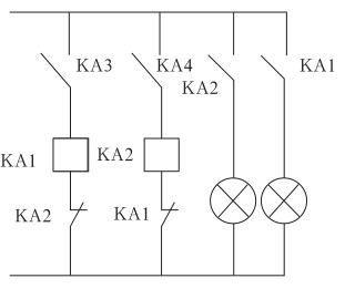
图2控制电路 为了保障控制系统的稳定运行,无线控制与时间控制采用互锁控制方式,KA3是ZigBee无线传感器网络中控制节点控制的继电器常开触点,KA4是时间控制器的常开触点,当宿舍内光线较暗,控制节点接收到动作信号时,KA3常开触点闭合,对应的主电路控制器KM1主触头就闭合,照明回路通电;当现场光线达到照明要求,KA3常开触点没有吸合,照明回路处于断开状态。如果现场使用过程中,无线控制出现故障,时间控制器则可以实现对照明回路的控制,整体系统设计是由上位机和ZigBee建立的无线网络组成,宿舍管理人员可以通过上位机的交互界面对ZigBee网络进行组建及宿舍内照明及插座用电的智能控制。ZigBee当经纬度控制器控制的常开触点KA4闭合时,对应的主电路接触器KM2主触头闭合,照明回路通电,并且由于KA3和KA4常闭触点的串接,使得无线控制与经纬度时间控制实现了互锁的功能,保障在无线网络控制发生故障时,照明回路依然能实现自动控制。 1.3无线网路控制整体设计方案 目前无线网路传输技术有很多种,而ZigBee技术以低功耗、低成本、通信时延短、网络容量大、传输数据可靠、安全性高等多方面优势,在短距离无线网路传输中占据越来越强的优势。常用的蓝牙、WiFi、ZigBee技术比较如表1所示。
表1近距离无线通信技术比较表 从表1中可以看出,ZigBee技术可以组建一个具有65535个可以互相通信的无线数传模块网路平台,ZigBee技术的联网时间为30ms,而设备的休眠激活时延达到了15ms,ZigBee功耗低,其发射功率为毫瓦级别,两节5号电池就可以维持长达6个月到2年左右的使用时间,ZigBee技术传输距离可以在10-75m的范围内。ZigBee技术工作在2.4GHz(全球流行)、868MHz(欧洲流行)和915MHz(美国流行)3个频段上,分别具有250kbit/s、20kbit/s和40kbit/s的传输速率。随着技术的不断发展,ZigBee模块的成本优势也逐渐凸显,综上所述,ZigBee技术是比较适合于宿舍内照明无线网络的智能控制。宿舍楼用电无线智能控制整体系统设计如图3所示。
图3系统结构框图 无线网络主要由ZigBee技术协调器节点、路由节点及终端节点构成。其中ZigBee协调器负责整个网路的建立、监管和维护,与上位机实现数据的双向传输,将从采集到的信息数据通过串口与上位机通信,并向下传达监控命令,从而达到建立及监控整个网路的目的。整个无线网络采用树形结构,中间路由器节点起到数据信号中间传递作用,根据需要每层楼都会设置几台中间路由器,终端节点可以与协调器之间通信,但是当终端节点与协调之间的距离超出两者的通讯距离时,路由器可充当中继作用,进行数据的转发。而且终端节点之间是没有办法实现通信功能。终端节点可以通过传感器对宿舍周围环境光线进行检测,当宿舍内没有人员活动时自动关闭照明系统,但是当晚间到达规定时间时,时间经纬控制会自动切换到手动控制模式,宿舍内照明灯的控制可以实现手动控制。对于宿舍内大功率设备的使用,电流传感器将大电流信号传递给ZigBee的终端设备,上位机及宿舍内都会出现报警信号,对管理人员及宿舍人员起到提醒和控制的目的。 2硬件设计 ZigBee无线传感器系统的硬件设计主要是协调器节点、路由节点及终端节点三部分,系统节点硬件芯片主要采用的是CC2530作为核心芯片进行开发。CC2530是专门针对IEEE802.15.4和ZigBee应用的单芯片解决方案,经济而且功耗低,是目前ZigBee技术开发的主流芯片,应用广泛。CC2530芯片有四种不同的版本,CC2530-F32/64/128/256,这是指分包带有32/64/128/256的闪存空间,芯片整合了全集成的高效射频收发机及业界标准的增强型8051微控制器,8-KB的RAM和其他强大的支持功能和外设。CC2530芯片具有不同的运行模式,尤其是适应低功耗的系统,运行模式之间转换时间短。在掉电模式下,只有睡眠定时运行时,仅有不到1μA的电流损耗,而且具有强大的地址识别和数据包处理引擎。 2.1协调器节点的硬件设计 协调器在ZigBee网络中起到至关重要的作用,因此在整个网络中也只有一个协调器。它的主要工作就是组建自己的网络。上电激活协调器后,它会自动进行搜索,当组建网络之后,协调器的作用便会弱化,起到和路由器相同的作用。本系统的协调器可以设置在宿舍管理员的控制室内,便于将信息从协调器传输至上位机,便于管理人员对宿舍用电的交互管理和维护。CC2530有两个串行通信接口USART0和USART1,可以利用这两个串口实现协调器与PC机的通信。网路中路由器在网络中具有组织网络、自我修复网络等作用,当然也具备实现数据的转发和子节点进行通讯的功能。在宿舍楼内,可以根据每层楼宿舍个数设置路由器节点,使得整栋宿舍楼都能在无线网络中。 2.2终端节点的硬件设计 终端设备节点在整个网络中就是前端部分,也是ZigBee技术实现低功耗特点的核心部分,在工作时可以在激活状态和睡眠状态进行切换。终端设备节点主要通过采集各种传感器数据对继电器进行控制等作用。本系统的终端节点可以分为传感器和控制两部分,要实现宿舍内照明的自动开启和关闭,选用了HC-SR501人体传感器、光电传感模块(如BH1750FV1)实现对光线及人员流动性的检测,实现相关数据的采集,插座回路部分通过霍尔传感器实现对回路电流数据的采集;控制部分主要是继电器控制模块,CC2530芯片可以通过输出端口实现相关继电器的控制。终端节点硬件设计框图如图4所示。
图4终端节点硬件框图 在电源供电部分,可以采用HLK-PM01集成电源模块和用AMS1117-3.3作为电源供电,其中HLK-PM01集成电源模块是智能家居中AC-DC转换开关,它可以将220V交流电转为5V稳压直流电,为传感器等模块进行供电,电路图如图5(a)所示,其中在电源模块输出端需要并滤波电容(10μF和0.1μF)。可以采用AMS1117-3.3模块对核心模块CC2530进行供电,这是一款优秀的DC-DC模块,它可以将HLK-PM01集成电源模块输出的5V电源转换为3.3V直流电,并且确保电源输出的稳定性。AMS1117-3.3电路如图5(b)所示。
图5电源模块电路图 3系统软件设计 软件设计是在硬件设计的基础上进行的,它是实现系统功能的重要环节。系统节点设计可以基于TI公司开发的Z-stack协议栈作为开发模板。TI的Z-stack装载在一个基于IAR开发环境的工程里,强大的IAREmbeddedWorkbench除了提供编译下载功能外,还可以结合编程器进行单步跟踪调试和监测片上寄存器、Flash数据等。Z-Stack是采用操作系统的思想来构建,事件发生时,唤醒系统,开始进入终端处理事件,结束后进入低功耗模式,此种软件构架可以降低系统的功耗。整个Z-stack的主要工作流程,大致可以分为系统启动、驱动初始化、OSAL初始化和启动,进入任务循环几个阶段。系统上电后,通过执行ZMain文件夹中的ZMain.C的ZSEGintmain()函数实现硬件的初始化,OSAL是协议栈的核心,Z-Stack的任何一个子系统都作为OSAL的一个任务,因此在开发应用层的时候,通过创建OSAL任务来运行应用程序。本系统主要由主程序、时钟控制程序、传感器采集程序、ZigBee通信程序、负载过大报警程序、机房管理程序、终端控制程序等几部分构成。主程序流程图如图6所示,设备上电初始化后并完成ZigBee网络的组建。
图6主程序流程图 根据时钟程序判断时间段,在熄灯期间,照明灯处于关闭状态,白天时宿舍内的照明实现自动控制,同时终端传感器设备将采集的数据传输至控制中心的PC机内,实现宿舍管理员对宿舍内用电情况观测,并进行远程监控的功能。当宿舍内使用大负载的用电设备时,宿舍发出警报的同时上位机上也对此进行记录,报警10S后,判断大功率用电设备是否取消,如果继续使用,则对宿舍插座回路进行断电,同时在PC机上对该宿舍内用电情况进行记录。 4安科瑞AcrelCloud-3200预付费水电云平台 4.1系统方案 系统为B/S架构,主要包括前端管理网站和后台集抄服务,配合公司的预付费电表DDSY1352和DTSY1352系列以及多用户计量箱ADF300L系列,实现电能计量和电费管理等功能。另外可以选配远传阀控水表组成水电一体预付费系统,达到先交费后用水的目的,剩余水量用完自动关阀。
4.2系统功能 AcrelCloud-3200预付费水电云平台由云平台-网关-预付费电能表组成,通过通信网络完成系统到表的充值、查询、监控、控制及短信报警等功能。 本系统适用于一些大集团和大物业,往往需要将多个物业环境、分散于各地的物业集中式收费和管理,面临着数据公网传输,财务操作分散,在线支付,总部财务扎口等复杂的需求。
远程集中抄表:抄表信息通过网关实时上传到云平台,快速便捷,免去人工抄表。
水表预付费:可是查看某区域水表的实时状态信息,并可以进行单表或批量设置水价控阀等操作。
远程售电:财务集中管理,电量实时下发,并比对充值次数,方便快捷。
能耗分析:用户和管理员都可查询预付费表或管控表每天的用能状况;可提供能耗分析 财务轨迹一体式综合管理报表,包含用户表的能耗、财务数据、能耗和财务的期初期末值等数据。
在线支付:商户可以通过小程序或者微信公众号实现在线自助充值水电费,也可以实时关注商铺用水用电情况。
短信提醒:金额不足或金额欠费提醒、电表充值到账提醒,都可及时短信通知商户。
远程控制:可对任意一块电表执行远程拉闸或保电等一系列远程控制操作,方便管理。 4.3产品选型
本文介绍了基于ZigBee技术的宿舍楼用电智能控制,在硬件及软件方面提出了设计设想,采用人体红外传感器、光电传感器、电流传感器等对宿舍内的数据进行采集,在规定的时间段内实现照明灯的自动控制,同时对宿舍内大功率设备使用情况进行检测,通过ZigBee技术对出现超负荷运行情况进行自动断电与远程控制。随着技术的不断发展,以及学生对宿舍环境要求的不断提高,ZigBee技术还可以用于宿舍内照明光线的自动调节、空调温度的自动调节等各个方面,宿舍楼在达到节约能源目的的同时,也为学生们创造了更加美好舒适的生活环境。 |





























