抽油机改造后应力测试和振动测试研究
|
某公司对抽油机进行了改造,取消了抽油机的减速箱和皮带传动机构,整体结构发生了变化。因此,改造后抽油机运行过程中各部位的应力及振动情况必然发生改变,可能会给抽油机的安全运行带来隐患。本次试验主要是对改造后的抽油机进行应力测试和振动测试。分别对8型抽油机和10型抽油机改造前后的游梁、支架、连杆的应变及悬点振动情况进行测试对比分析。 测试仪器的选择 由于应力与振动测试具有精度高、时间短等特征,测试仪器选择聚航科技生产的JHDY动态应变仪。模块化设计,多通道测量,软件式操作,测量数据实时显示,可自动生成报告。测量传感器分别采用90°应变传感器和加速度传感器进行测量。 测试点的选择 根据抽油机的应力分布特点和其改造前后的振动情况,初步确定了对抽油机的游梁、连杆、支架进行应力测试,对“驴头”悬点进行振动测试。 依据抽油机游梁在外载荷作用下的受力变形情况,分别在游梁侧面和上表面布置测点,测量轴向和横向的应力。考虑到支架与其连接位置截面受力变形与靠近横梁位置处受力变形较大,因此在这两个位置布置测量截面与测点(测点1、测点2、测点3)。 在选择连杆测点位置时,考虑到连杆受力变形的一致性,选择连杆中部一个截面作为测试点,测量其轴向和横向的应力。为了对比整个抽油机连杆两侧受力变形的一致性,分别在连杆的两侧布置了测点(测点4、测点5)。 根据支架的受力变形特点,支架底端受力变形较大。同时,考虑到前后支架受力变形不一致的影响,分别在其左前和右后支腿处布置了测点(测点6、测点7),测量其轴向和横向的应力。 为了对比分析抽油机改造前后“驴头”悬点的振动变化情况,在“驴头”悬点位置(测点8)处布置加速度传感器,测量其轴向振动。 8型抽油机改造前后应力及振动数据分析 使用8型抽油机的A#、B#、C#进行实验,测点位置为抽油机的游梁、连杆和支架。 应力测试分析 8型抽油机改造前后每个测点均测20个周期,选取其中5个周期,通过计算平均值得到A#、B#、C#每个测点的*大应力平均值,最小应力平均值和应力峰-峰值。从表1可以看出,对比抽油机7个测点,改造后应力数值均大于改造前。通过数据计算分析,改造后3 口井的游梁、连杆和支架均满足强度要求,改造前后各部件应力变化趋势基本相同。
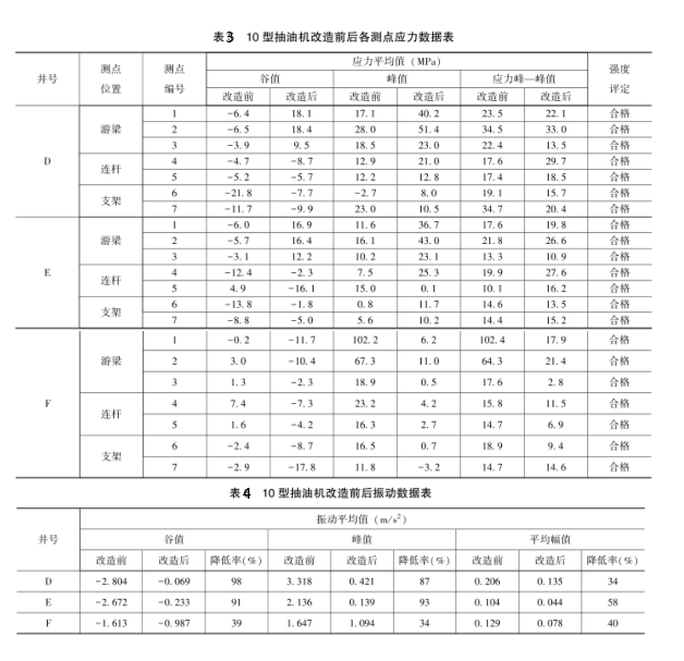
振动测试分析 8型抽油机改造前后每个测点均测20个周期,选取其中的5个周期,通过计算平均值得到A#、B#、C#振幅平均值。如表2所示,改造后3口井悬点振动的峰值平均值、谷值平均值,平均幅值均小于改造前的数据,其中,A#改造前后平均幅值降低率为69%,B#改造前后平均幅值降低率为94%,C#改造前后平均幅值降低率为92%。 10型抽油机改造前后应力及振动分析 使用10型抽油机的D#、E#、F#进行试验,测点位置为抽油机的游梁、连杆和支架。 应力测试分析 10型抽油机改造前后每个测点均测20个周期,选取其中的5个周期,通过计算平均值得到D#、E#、F#每个测点的*大应力平均值,最小应力平均值和应力峰峰值。从表3的数据可以看出,对比抽油机7个测点,改造后应力数值变化幅度不大。通过数据计算分析,改造后3口井的游梁、连杆和支架均满足强度要求,改造前后各部件应力变化趋势基本相同。
振动测试分析 10型抽油机改造前后每个测点均测20个周期,选取其中的5个周期,通过计算平均值得到D#、E#、F#平均振幅,如表4所示,改造后3口井悬点振动峰值平均值、谷值平均值、平均幅值均小于改造前的数据,其中,D#改造前后平均幅值降低率为34%,E#改造前后平均幅值降低率为58%,F#改造前后平均幅值降低率为40%。 总结 1.抽油机改造后悬点振动平均振幅降低,运行更加平稳。 2.各测点应力均有不同程度的变化,但应力值均在安全范围之内,改造后不会影响抽油机的安全运行。 |









