|
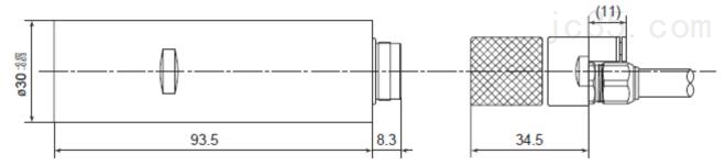
NSK高速主轴马达EM-3060使用说明 此次,承蒙您购买短冲程无刷马达 EM-3060,深表感谢。使用本产品时必须配备E3000“控制器”、“主轴”以及“空气管道套件 (AL-0201)”。使用本产品之前,为了安全起见,请仔细阅读本说明书和E3000“控制器”、“主轴”以及“空气管道套件 (AL-0201)”。 警 告 ①无刷马达并非手持工具。请安装在手持的工作机器及专用机器之后再使用。 ②运转中请勿用手碰触运转体,否则非常危险。 ③为保障安全,运行时请使用保护罩、防护眼镜和防尘口罩。 ④请勿用湿手插拔电源插头或碰触马达线。否则有触电的危险。 ⑤确认安全之前,切勿使用或拆卸无刷马达。 1)为了防止各种损害事故,使用无刷马达时,必须确认设置机器的安全状况后再使用。 2)拆卸无刷马达时,应先确认设置机器的安全状况,随后切断作为动力源的电源或供气,并排出该当设备系统内的压缩空气后再使用。 ⑥安装无刷马达时,确认支架连接在机器的地线上。否则,会造成故障或漏电时触电的原因。 注 意 ①无刷马达坠落或发生碰撞。运转不良、发热以及鞘管的变形等将会导致故障。 ⑥请选择适合作业的恰当的产品和工具。此外,请在适当的加工条件下进行作业。 ⑦加工中的切削液会粘在刀尖上,请尽量避免沾在无刷马达主体上。 ⑧如果在作业时发生旋转有波动或异常振动时,请立即停止作业进行检查。 ?如果在长期未使用状态下重新使用本产品时,先要进行从低速逐渐加快转速约15~20分钟达到转速的跑合运转。并确认没有异常声和异常发热后再进行使用。 ?请勿对无刷马达进行分解或改造。否则将无法保以后的性能。此外,敝公司也可能拒绝修理。 ?无刷马达在量产加工机上使用时,为了防止发生意外故障,必须预备好备用无刷马达。 特 征 ①铠装为将不锈钢材料(SUS)经过高硬度热处理和研磨加工成的外径φ30mm的无刷马达。 ②由于采用高速无刷马达方式,无需进行繁琐的更换刷子作业。 ③采用只需少量(约30?/分钟)气体的空气冷却方式。防止马达发热,能够长时间使用。 外观图: 
更多EM-3060高速主轴使用问题,请您致电春亨工具营业顾问。 |