中国台湾福硕FOCUS FCL-200 FCL-20CNC线轨车床
|
品牌:中国台湾福硕FOCUS CNC 型号:FCL-200/ FCL-200S/ FCL-200HT/ FCL-200MC 品名:CNC线轨车床 加工零件: 控制器搭配 FANUC控制器
Manual Guide i(选购)可提供对话式的编辑功能,并可执行3D加工模 SIEMENS控制器
FCL-200MC动力铣削系统 采用目前*型选刀速度最快的伺服刀塔、三片式离合齿定位、油压快速 FCL-200高速高精度油压凸轮刀塔 10支刀的油压凸轮式刀塔,精确快速换刀定位时间0.3秒,换刀重现精度0.002mm。 FCL-200MC 高精度CS分度主轴系统 主轴由高解析度回馈装置之CS主轴马达伺服驱动,完成高精密分度。 FCL-200 主轴扭力图
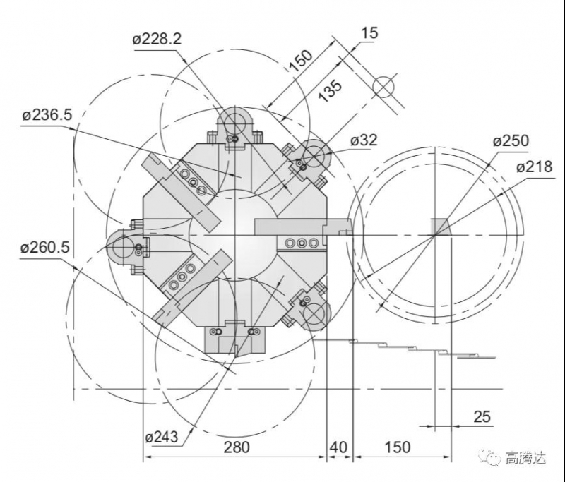
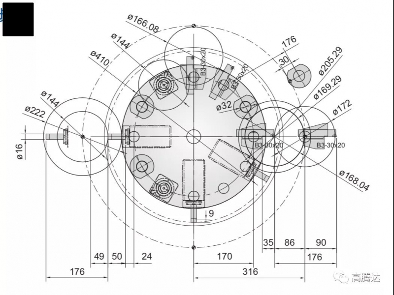
FCL-200MC刀具系统图 FCL-200/HT/MC 主轴结构图 FCL-200刀具干涉图 FCL-200HT刀具干涉图 FCL-200 加工区域行程图 FCL-200S 刀具干涉图 FCL-200S加工区域行程图 FCL-200MC 刀具干涉图 FCL-200MC加工区域行程图 机床规格图: 东莞市高腾达精密工具有限公司 |






























