中国台湾福裕平面磨床FSG-618M,2A818,3A818
时间:2022-09-25来源:佚名
|
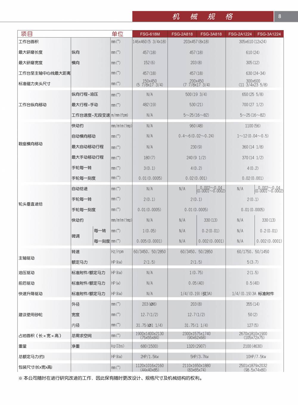
平面磨床FSG-2/3A1224 产品特性 ※ 机台各主要铸件均使用高强度之铸铁,并经弛力退火,内应力消除,左右及前后轨道以支撑距離设计,刚性,稳定性特佳. ※ 主轴马达采用 V3 级低振动2HP主轴马达,采用4个P4级超精密斜角滚珠轴承,经过严格的量测选择预压后,在恒温室中装配而成,并配合完全防水的迷宫式设计,以确保轴承的使用寿命及研磨的表面粗度. ※ 左右调程机构使用电子无接触换向,有操作者视工件大小,调整行程位置,节省研磨时间,提高工作效率,配合调程防护板设计,安全性特佳. ※ 工作台传动采用循环式的齿形皮带,不滑脱,传动圆滑,滑道由特殊热处理及精密研磨过之导轨与钢珠组成,移动轻快平稳,发挥高精度,高效率功能. ※ 前后滑动面采用贴耐磨滑片(Turctie - B) 为滑动介质,并经精密的刮花处理,配合自动强制润滑系统,长时间使用亦能保持的精度. ※ 各螺杆及前后、升降导轨,使用自动循环强制润滑系统,效果确实,以降低因人为疏忽所造成之机械磨耗,确保机械精度,提高使用寿命. 产品规格 ※ FSG-2/3A1224 ※ 工作台至主轴中心线距離 : 24" (610mm) ※ 主主轴马达: 5HP-4P / 3.7kw ※ 主轴转速: 60Hz /1750rpm 50Hz /1450rpm 特别附件 ※ 回转式磁铁 ※ 平行修整器(油压) ※ 电磁铁 ※ 回转式电磁铁 ※ 电磁铁控制器 ※ 升降加装快动微调 ※ 手动纸袋式水机 ※ 单边挡水墙 ※ 单用电磁式过滤水机 ※ 双边活动式护盖 ※ 吸尘电磁式两用水机 ※ 吸尘两用水机 ※ 吸尘器 |













