T型槽平台|T型槽平板开槽间距及参照标准
时间:2022-09-25来源:佚名
|
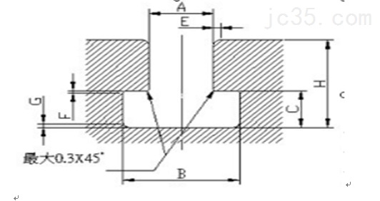
客户在选择T型槽平台,T型槽平板,电机试验平台,装配平台及机床工作台的时候,不知道需要用多大的螺栓及T型槽开口尺寸,包括T型槽的间距,全意重工详细把T型槽的标准及螺栓使用情况整理出来,供客户选择参考,希望能给大家带来一些帮助。 一、T型槽的各部位代表意义(见下图、表格) | ||||||||||||||||||||||||||||||||||||||||||||||||||||||||||||||||||||||||||||||||||||||||||||||||||||||||||||||||||||||||||||||||||||||||||||||||||||||||||||||||||||||||||||||||||||||||||||||||||||||||||||||||||||
A 基本 尺寸 | B 最 最 小 大 | C 最 最 小 大 | H 最 最 小 大 | d 公称 尺寸 | S 尺寸 | K 尺寸 | 备注 | |||
5 | 10 | 11 | 3.5 | 4.5 | 8 | 10 | M4 | 9 | 3 | 一般T型螺 栓尺寸要小 于T型槽尺 寸,这样才 能保证螺栓 能在T型槽 里面滑动。 |
6 | 11 | 12.5 | 5 | 6 | 11 | 13 | M5 | 10 | 4 | |
8 | 14.5 | 16 | 7 | 8 | 15 | 18 | M6 | 13 | 6 | |
10 | 16 | 18 | 7 | 8 | 17 | 21 | M8 | 15 | 6 | |
12 | 19 | 21 | 8 | 9 | 20 | 25 | M10 | 18 | 7 | |
14 | 23 | 25 | 9 | 11 | 23 | 28 | M12 | 22 | 8 | |
18 | 30 | 32 | 12 | 14 | 30 | 36 | M16 | 28 | 10 | |
22 | 37 | 40 | 16 | 18 | 38 | 45 | M20 | 34 | 14 | |
28 | 46 | 50 | 20 | 22 | 48 | 56 | M24 | 43 | 18 | |
36 | 56 | 60 | 25 | 28 | 61 | 71 | M30 | 53 | 23 | |
42 | 68 | 72 | 32 | 36 | 74 | 85 | M36 | 64 | 28 | |
48 | 80 | 85 | 36 | 40 | 84 | 95 | M42 | 75 | 32 | |
54 | 90 | 95 | 40 | 44 | 94 | 106 | M48 | 85 | 36 | |
T型槽标准:按照国标(GB/T158-1996)标准制造
二、T型槽平台,T型槽平板,T型槽工作台,电机试验平台,装配平台的T型槽间距
T型槽间距(表格)单位mm
T型槽开口宽度A | T型槽间距尺寸P | |||
5 | | 20 | 25 | 32 |
6 | | 25 | 32 | 40 |
8 | | 32 | 40 | 40 |
10 | | 40 | 50 | 63 |
12 | (40) | 50 | 63 | 80 |
14 | (50) | 63 | 80 | 100 |
18 | (63) | 80 | 100 | 125 |
22 | (80) | 100 | 125 | 160 |
28 | 100 | 125 | 160 | 200 |
36 | 125 | 160 | 200 | 250 |
42 | 160 | 200 | 250 | 320 |
48 | 200 | 250 | 320 | 400 |
54 | 250 | 320 | 400 | 500 |
注:T形槽間距p欄中,括號內的數值與T形槽槽底寬度值之差值,可能較小,應避免使用。
相對於每個T形槽寬度,表2中給出三個間距,應根據使用需要條件選擇T形槽間距。
特殊情況需採用其他尺寸間距時,則應符合下列原則:
1)採用數值大於或小於規定T形槽間距P的尺寸時,應從優先數系R10系列的數值中選取;
2)採用數值在規定T形槽間距p的尺寸范圍內,則應從優先數系R20系列的數值中選取。
3)注:任一T形槽的極限偏差都不適累計誤差.
全意重工专业生产T型槽平台,T型槽平板,装配平台,装配平板,铸铁工作台,电机试验平台,
机床工作台等开槽铸铁平台、铸铁平板产品,产品出口捷克,德国,意大利,西班牙,沙特韩国,
印度,越南,澳大利亚等国家,出口品质值得信赖!
.








