变电站无线测温系统的特点与应用
|
摘要:目,变电站普遍采用的全密封结构高压开关柜的温度无法监测,给设备安全运行带来很大的隐患。本文介绍了变电站无线测温系统的构成、主要特点,结合工程实际阐述了变电站无线测温系统的综合应用,并对变电站无线测温系统的应用景进行了展望。 关键字:变电站、无线测温
1引言 电力系统从发电厂、变电站、高压输电线路到城市电网和农村电网,电接点温度的变化是关系到整个电网能否安全稳定运行的一个十分重要的指标,而温度变化需要综合考虑负荷、天气等运行条件,具有不可预知性,一直以来都是电力系统非常关注的问题。 随着变电站自动化技术的推广和应用,无人值班的变电站越来越多,变电站的高压开关柜采用全密封结构,在长期运行过程中,开关的触点和母线连接等部位因老化或接触电阻过大而发热,由于这些发热部位的温度无法监测,设备的运行条件越来越恶劣,发生高压开关柜内触头熔断、刀闸烧毁等设备事故的概率大大增加。基于电磁波传输信号的变电站无线测温系统能实时监控高压柜等高压设备的运行温度,及时发现并处理设备隐患,对于提高设备管理水平、供电可靠性都具有重要的意义。
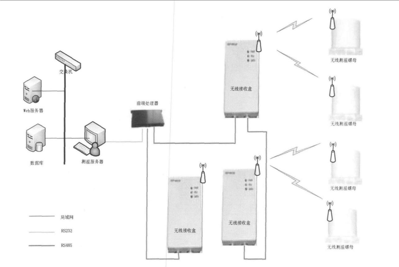
2变电站无线测温系统的构成 变电站无线测温系统由无线测温螺母、无线接收盒、信号路由器、后台管理系统组成,实时监测发电厂/变电站的高压开关柜、母线接头、室外刀闸开关触点等部件的温度。 变电站无线测温系统的构成如图1所示; 1.测温螺母:安装在需要测温的载流部件上,内置温控开关,在螺母温度超过开关温(如:60摄氏度),螺母内部电路接通,开始采集螺母温度,并且通过RF发射温度信号; 2.接收盒接收各螺母的RF射频信号,并保存螺母温度,等待主站查询;
图1 变电站无线测温系统构成图 3.各个接收盒,通过RS485总线并接起来,经过RS485转Rs232直接接入主站pc: 4.主站不断轮询各接收盒,查询温度信息,接收盒将各螺母温度信息发送上主站; 5.接收盒不保存历史温度信息,只保留当螺母温度信息,即接收盒内保存的是一个当各螺母的温度影射表; 6.螺母的历史温度信息由主站保存: 7.接收盒不限定接收哪些螺母的信息,即实际接收到哪些螺母,就影射哪些螺母: 8.后台监控主机实现历史数据的查询、超温报警、发信等功能。
3变电站无线测温系统的主要特点 基于电磁波传输信号的变电站无线测温系统,采用先进成熟的传感技术和*先进的无线通讯技术进行高压隔离和信号传输,利用其固有的绝缘性和抗电磁场干扰性能,从根本上解决了电厂、变电站电接点温度不易监测的难题:通过变电站无线测温系统,在线测量各设置点温度后,以无线方式将数据上传至本地温度显示仪,实现超温报警功能。还可与电力自动化系统连接,在远端中心监控室内监视设备运行温度,发现异常,远程报警,及时发现事故隐患。此系统主要有如下特占 1.测温螺母在线取电/太阳能取电。螺母采用在线取电/太阳能取电,大大提高了终端的使用寿命,提高了变电站无线测温系统的安全运行年限,使用寿命可达8年以上。 2.设有温度告警阀值,如采集到的温度数据高于此告警阀值,则在后台监控界面上弹出报警信息,并以声光方式提示工作人员采用必要措施,甚至直接以短信的方式通知相关人员。提高管理者对现场设备的管理效率,实现全信息化管理。 3.当无线传感器发送被监测点温度的同时,把其自身的编号()D号)也传输出来,计算机根据事先在数据库中保存的传感器编号与安装地点关系,自动确定各监测点的温度,系统的自动化程度回。 4.传感器与测温终端之间采用无线连接,既方便了系统的安装与维护,又减少了对电网安全运行的影响,系统的安全性好。 5.每天24小时连续在线监测。传感器每小时(可以事先设定)自动发射一次监测点的温度数据,计算机实时收集并记录所有监测点的温度数据,发现异常立即报警,系统的实时性好。 6.无线通信选择工作于433MHz、9巧MHz等 ISM工作频率,对人体无伤害,对周围设备无电磁干扰,符合FCC标准和家无线管理规定。 7.系统具有趋势分析功能。 8.对每个监测点测得的温度数据实时进行分析并可以长时间保存记录。对温度变化呈现逐步升高的监测点,在温度没有达到上限值之,事先进行预警,把隐患消除在萌芽状态。 9.测温螺母的体积为8mm*27mm @为大直径),非常小巧,可以非常方便的安装在高压柜,安装时将此设备拧紧在接触点的螺栓上即可,无需额外增加设备,改变原有设备的结构。 10.扩容灵活,不受分组限制,每个无线接收盒多可以接收90个螺母发送过来的数据。
4 变电站无线测温系统的应用实例 110kV大洲变电站是高要电网的重要负荷站,为便于对设备的运行情况进行实时监测,及早发现安全隐患,确保设备的安全稳定运行,在大洲站加装了无线测温系统,对无法测温、负荷较重的8面 10kV高压柜实现在线测温。 通过在每面开关柜的上隔离静触头、下隔离静触头、开关连线及出线柜的出线电缆头四个部位的 (A、B、c)相各装设一个无线测温传感器,实现对8面高压柜的96个测试点温度实时无线监测。此系统共安装96个传感器,设置超60度报警、超 80度发信息,报警信息直接通过手机短信发送至变电站负责人。 系统于2010年6月巧日投运,投运一个月以来,总体运行良好,共发出报警信息23条。系统不仅实现了8个高压开关柜的各部分温度的实时监控,变电站负责人还通过报警信息及时安排处理了 2起设备发热缺陷,确保了设备安全稳定运行。图 2、图3是从系统调出的监控信息。 从图2可以很清晰的查到安装的96个测温螺母的情况,从而清楚地看到各个测温点的实际温度,超过温度报警值(设置为60度)的用红色字体标出,方便查询设备的运行温度。 从图3可以很清晰的看到5184 C相刀闸线路侧在2010年7月14日至7月巧日的温度曲线,从温度趋势可以对某个特定的部件进行有效的温度变化趋势分析。
图2系统历史数据查询
图3 5184C相刀闸线路侧的温度曲线
5 安科瑞ARTM系列电气接点在线测温产品选型 安科瑞电气接点无线测温方案由无线温度传感器、收发器、显示单元组成。温度传感器直接安装于断路器动触头、静触头、电缆接头、母排等发热接点,将测温数据通过无线射频技术传至接收装置,再由接收器485通讯至测温终端或无线测温系统(如图4结构图)。这样,运行值班人员可以随时查阅柜内各个接点的实时温度,随时掌握各接点的运行情况,及时发现和排除故障,大大提高电网的运行可靠性和经济性。 图4 结构图 5.1安科瑞无线温度传感器 无线温度传感器共有5种,分别对应螺栓固定、表带固定、扎带捆绑、合金片固定等安装方式。针对不同的变电站要求,可根据传感器供电方式以及安装位置的不同,考虑安装方便的因素,选择相匹配的传感器。
5.2安科瑞无线收发器 无线测温收发器共有3种,通过无线射频方式接收温度数据。收发器根据不同的传感器型号进行匹配,同时传感器的传输距离决定接收装置能否多柜接收。 5.3安科瑞显示终端 显示装置通过RS485连接收发器,可嵌入式安装于柜体上,若柜体开孔不便,也可选择壁挂式安装于配电室内。方便操作人员现场及时查看电气节点实时温度的同时,也可以通过RS485或以太网通讯的方式在后台系统查看现场情况。
6应用展望 从工程应用的实例来看,变电站无线测温系统在线测量温度的数据准确、稳定、可靠,系统抗干扰性能力也通过了现场的考验。应用这套系统可以实时掌握变电站高压设备特别是高压开关柜的运行状态和健康水平,分析设备状态发展趋势,这对提高设备的运行维护水平,及时发现事故隐患,减少停电事故有着积极的意义。在线测温不仅能适用于密封的高压开关柜,也适用于室外敞开的高压设备,随着无线测温系统的大量应用,变电站在线测温将逐渐取代目人工测温的方法,实现变电站设备的实时在线测温。
【参考文献】 [1] 陈志根.变电站无线测温系统的应用研究[J].电力技术.2010.8 [2] 安科瑞企业微电网设计与应用手册 2019.11版 作者简介:缪建梅,女,安科瑞电气股份有限公司,主要从事电气防火限流式保护器的研发与应用 |












