三相电动机单向启动反接制动控制电路图解
时间:2022-11-07来源:佚名
|
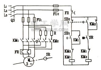
依靠改变电动机定子绕组的电源相序来产生制动力矩,迫使电动机迅速停转的方法叫反接制动。这里介绍单向启动反接制动控制线路。 单向启动反接制动控制线路如右图所示。该线路的主电路和正反转控制线路的主电路相同,只是在反接制动时增加了三个限流电阻R。线路中KM1为正转运行接触器,KM2为反接制动接触器,SR为速度继电器,其轴与电动机轴相连(图中用点划线表示)。电路的工作原理如下:先合上电源开关QS:
反接制动时,由于旋转磁场与转子的相对转速(n1 n)很高,故转子绕组中感生电流很大,致使定子绕组中的电流也很大,一般约为电动机额定电流的10倍左右。因此反接制动适用于10kW以下小容量电动机的制动,并且对4.5kW以上的电动机进行反接制动时,需在定子回路中串人限流电阻R,以限制反接制动电流。 |









