剃须刀电机不转了怎么回事

时间:2022-11-11来源:佚名

1、剃须刀采用的多为一节电池电池,一旦发现电机不转,可检查如下:
2、测量电池,低于1.1V可能带不动电机了,要更换电池、
3、电池正常,打开开关电机还是不转,检查开关是否因触点老化接触良好,检查电机的机械轮是否被卡,检查电池的弹簧接线处是否被电池漏液腐蚀(这是多见的)。
4、如果总是查不出问题,就是不转,测量电机的入线桩电压,如果电压正常,那就是电机的电刷脏了而造成的接触不良,可以从缝隙或小孔向内注射酒精(就是微按钮开关使用酒精也能去污)。解决问题要从简易的部件开始逐步到复杂,不可随便先拆开电机,电刷的弹性改变了就失灵而接触不良。
5、如果还是不能解决问题的,有动手能力的人,就拆开电机,电刷处先别分离,用酒精清洗然后加上一点机油再回位就修好了(我都是这样修理的)。
剃须刀电机不转了怎么回事
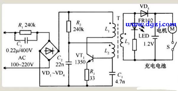
剃须刀简易充电线路图

相关阅读

电力电缆试验技术知识

电力电缆试验,是鉴定电力电缆性能和质量进行的各种试验。电缆试验就是检查电缆质量、绝缘状况和对电缆线路所做的各种测试,由于电力电缆是用于传输大功率电能,一般在高电压、大...
2024-08-21
电力电缆试验技术知识

收藏了!电工基础应用口诀

学工控技术,拿10万年薪 马上注册,免费学习 超过100课时视频教程,免费下载海量学习资料 1、用充、放电法判断电容器的好坏 电容好坏粗判断,充放电法可承担。 电容两端接直流,...
2023-06-27

电脑和三菱PLC通讯不上是什么原因?通讯线的端口如何设置?

经常看到怎么电脑 和plc 通讯不上之类的问题,除了极个别的不给 PLC 通电的同志外,大部分的应该是通讯线的端口设置问题。 编程线主要有几种 SC-09 , USB-SC-09, USB( 打印机线 ) 。 在使用...
2023-03-21

值得收藏!基本照明电路及安装、日光灯工作原理、电表接线图

照明电路是我们日常生活和学习中接触最多的电线电路。今天我们来讲一讲基本照明电路及家用电路安装,日光灯工作原理、电表接线图。首先我们先来了解一下照明电路的基本概念和...
2023-06-11
值得收藏!基本照明电路及安装、日光灯工作原理、电表接线图

什么是机械制图

机械制图是用图样确切表示机械的结构形状、尺寸大小、工作原理和技术要求的学科。图样由图形、符号、文字和数字等组成,是表达设计意图和制造要求以及交流经验的技术文件,常...
2023-03-21

热销商品

加厚abs安全帽电工建筑工地程施工领导监理透气防砸头盔可印字V型

这款加厚ABS安全帽专为电工、建筑工地施工人员、领导及监理设计,采用高强度ABS工程塑料,抗冲击、防砸性能优异,有效保障头部安全。帽体加厚设计,增强耐用性与防护等级...
5.8

欧普led筒灯3w孔灯超薄桶灯吊顶天花灯过道嵌入式洞灯客厅5w

欧普LED筒灯是一款高品质嵌入式照明产品,适用于客厅、过道、吊顶等多种场景。采用优质LED光源,提供3W和5W两种功率选择,光线柔和均匀,显色指数高,有效还原真实色彩。超...
7.45

水口钳高硬度模型剪钳电子钳工业级口水剪斜嘴钳偏口斜口专用钳子

水口钳高硬度模型剪钳是一款工业级精密工具,专为电子、模型制作及精细作业设计。采用优质高碳钢材质,经热处理工艺打造,具备卓越的硬度和耐磨性,可轻松剪切金属引脚、...
4.8

170电子剪钳II 如意斜口钳 工业斜嘴钳水口钳 模型剪塑胶钳尖嘴钳

170电子剪钳II如意斜口钳是一款专业级精密工具,集工业斜嘴钳、水口钳、模型剪、塑胶钳与尖嘴钳功能于一体,适用于电子维修、模型制作、手工艺及精密作业。其采用优...
4.5

安全帽国标工地加厚施工领导透气安全头盔建筑工程监理免费印字

本款安全帽严格遵循国家GB 2811-2019标准,专为建筑工程、工地施工及监理人员设计。采用高强度ABS工程塑料,加厚壳体有效抗冲击,保障头部安全。帽体轻盈透气,内置可调...
10

网站栏目