恒压供水支持压力传感器吗
时间:2022-11-15来源:佚名
|
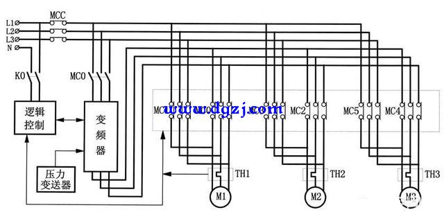
恒压供水也支持压力传感器的,而且比电接点效果更好,控制更精确。 压力传感器的压力值作为反馈信号采用PID控制原理达到恒压供水控制。这样以来借助电机的变频器自带PID宏接线设置参数即可,或者利用Plc控制室自己编程控制。 ![]() |
|
恒压供水也支持压力传感器的,而且比电接点效果更好,控制更精确。 压力传感器的压力值作为反馈信号采用PID控制原理达到恒压供水控制。这样以来借助电机的变频器自带PID宏接线设置参数即可,或者利用Plc控制室自己编程控制。 ![]() |








