中睿照明网
首页
>
百科知识
>
电工知识
康力电梯安全回路图纸
时间:2022-11-15
来源:佚名
康力电梯安全回路图纸
打赏
相关阅读
楼宇对讲系统检查和评价
1.单元内调试 单元内调试一般在系统调试之前进行内容包括: (1)主机的编程调试 (2)分机的设置调试 (3)主机与分机通信调试 (4)主机与分机开锁调试 2.联网调试 联网调试是...
2023-03-11
笔记本电脑功率是多少?
一台笔记本电脑的功率是多少,一台笔记本电脑一小时能耗多少电,与台式电脑相比,笔记本电脑的功率相对较小,在消耗电能上也会少得多。 笔记本电脑的功率大小 一般来说,一台...
2022-12-10
华为嵌入式高频开关电源直流模块
华为嵌入式48150价格48V150A高频开关电源直流模块 系统特点 电压范围宽 160V AC~280V AC 完善的电池管理功能 网络化设计,提供一路 COM 接口、一路 RS485/RS232 接口 支持华为网管协议和电总...
2023-01-08
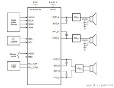
TAS5731数字放大器应用电路
TAS5731 是一款 20W,高效,数字音频立体声功率放大器。此篇主要介绍了TAS5731特性、应用范围、参考设计电路以及电路分析,帮助大家缩短设计时间。 TAS5731特性: 此放大器用于驱动立体...
2023-03-09
用VC 开发微机与OMRON PLC间的通讯程序
1、前言 可编程控制器是一种数字运算操作的电子 系统,专为在工业环境下应用而设计。它采用了可编程序的存储器,用于其内部存储程序,执行逻辑运算、顺序控制、定时、计数和算...
2023-03-21
热销商品
加厚abs安全帽电工建筑工地程施工领导监理透气防砸头盔可印字V型
这款加厚ABS安全帽专为电工、建筑工地施工人员、领导及监理设计,采用高强度ABS工程塑料,抗冲击、防砸性能优异,有效保障头部安全。帽体加厚设计,增强耐用性与防护等级...
¥
5.8
水口钳高硬度模型剪钳电子钳工业级口水剪斜嘴钳偏口斜口专用钳子
水口钳高硬度模型剪钳是一款工业级精密工具,专为电子、模型制作及精细作业设计。采用优质高碳钢材质,经热处理工艺打造,具备卓越的硬度和耐磨性,可轻松剪切金属引脚、...
¥
4.8
170电子剪钳II 如意斜口钳 工业斜嘴钳水口钳 模型剪塑胶钳尖嘴钳
170电子剪钳II如意斜口钳是一款专业级精密工具,集工业斜嘴钳、水口钳、模型剪、塑胶钳与尖嘴钳功能于一体,适用于电子维修、模型制作、手工艺及精密作业。其采用优...
¥
4.5
安全帽国标工地加厚施工领导透气安全头盔建筑工程监理免费印字
本款安全帽严格遵循国家GB 2811-2019标准,专为建筑工程、工地施工及监理人员设计。采用高强度ABS工程塑料,加厚壳体有效抗冲击,保障头部安全。帽体轻盈透气,内置可调...
¥
10
包邮三角型简易螺丝刀三角十字螺丝刀螺丝批改锥起子五金工具5mm
这款5mm三角型简易螺丝刀,专为拧紧或拆卸三角形螺丝设计,适用于电子维修、家电维护及精密仪器装配等场景。采用优质合金钢材质,刀头硬度高、耐磨损,确保长久使用不变...
¥
3.64
扫码手机访问
网站栏目
行业资讯
- 行业资讯
- 技术资讯
- 人物邦
- 产业分析
- 企业动态
学术论文
- 论文
- 技术
百科知识
- LED及OLED
- 生活经验
- 生活维修
- 电工知识
- 电光源
- 材料设备
- 灯具
- 电器附件
照明商城
搜索