零序电流保护为什么不需要零序互感器
时间:2022-11-16来源:佚名
|
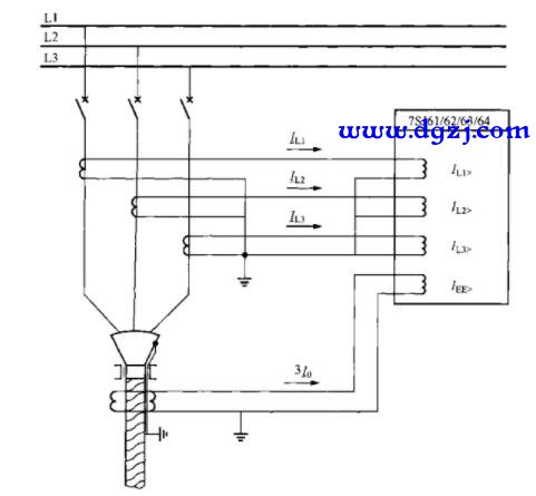
10kV~20kV线路配置零序电流保护时,其零序电流构成方式可采用三相电流互感器组合,也可加装单独的零序电流互感器。 ![]() 似乎用零序互感器可以,不用也行,其实是有条件的,在工业与民用配电设计指南中有相关使用条件的描述。 (1)不用零序互感器的条件。 原理是三相互感器的电流能够计算出零序电流。要求是接地故障电流较大。公式计算较为复杂,中性点直接接地或低阻抗接地的系统可以使用。 ![]() (2)使用零序互感器的情况。单相故障电流较小的情况,例如中性点高阻抗接地,需要提供测量的精度。 ![]() |








