电流互感器有哪些接线方式
时间:2022-11-16来源:佚名
|
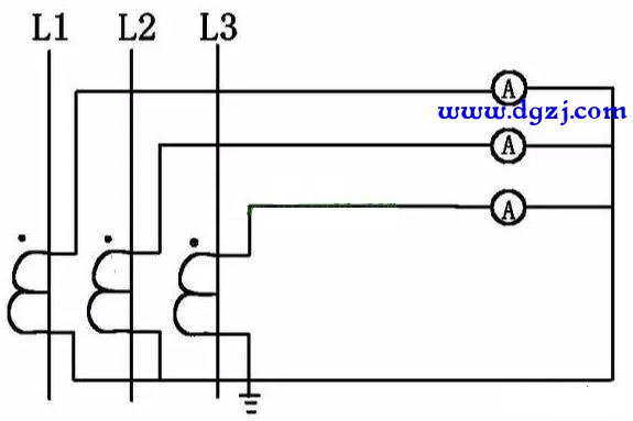
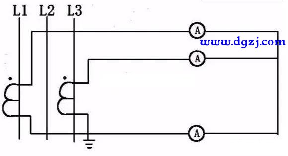
一相式接线: ![]() 三相星接线: 三台互感器星形接线,可测量对称和不对称三相电路(包括三相四线)中的电流,三相电流互感器能够及时准确了解三相负荷的变化情况,多用在变压器差动保护接线中,也可在中性点直接接地系统中用于电能表的电流采集。这种接线方式不仅能反应各种类型的相间短路,也能反应单相接地短路,故用于中性点直接接地系统中作为相间短路保护和单相接地短路的保护。 ![]() 两相和式接线: 两台互感器V形接线,测量对称和不对称三相三线电路中电流。三相电流矢量和为零,所以最下面电流表测量的是未装互感器那相的电流。此接法在实际工作中用得最多,它节省了一台电流互感器。这种接线方式能反应相间短路,但不能完全反应单相接地短路,所以不能作单相接地保护。这种接线方式用于中性点不接地系统或经消弧线圈接地系统作相间短路保护,也可在继电保护中应用,但灵敏度低。 ![]() 两相差式接线: 两台互感器电流差接线,用于线路、电机、并联电容器的继电保护接线,灵敏度较高。仅用于三相三线制电路中,中性点不接地,也无中性线,这种接线的优点是不但节省一块电流互感器,而且也可以用一块继电器反映三相电路中的各种相间短路故障,即用最少的继电器完成三相过电流保护,节省投资。但故障形式不同时,其灵敏度不同。 ![]() |












