运行中断路器的红灯或绿灯不亮怎么办?
时间:2022-11-17来源:佚名
|
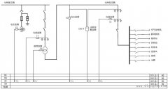
断路器的红灯或绿灯不仅表示断路器的合断位置,还表示合闸回路或跳闸回路完好。 当发现运行中的断路器的红灯或绿灯不亮时,需要立即查明原因并进行处理。否则 ,就会影响值班人员对断路器的监视,从而导致发生故障时无法进行判断。 此外,当合闸回路或跳闸回路存在故障时,还会影响重合闸或发生故障时不能跳闸,造成事故扩大。
断路器红灯或绿灯不亮的常见原因: 1、灯泡损坏。 2、灯泡回路接触不良,附加电阻损坏。 3、断路器的辅助触点接触不良,跳、合闸线圈断线。 4、控制母线的熔体熔断。 故障检查处理方法: 进行检查时,先检查灯泡和附加电阻回路,再检查跳、合闸线圈和辅助触点回路。 检查工作应由两人进行,且要严格遵守《电业安全工作规程》,同时严防直流接地或短路。 |






