一例三相电动机按钮与接触器双重互锁的正反转控制电路
|
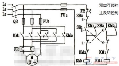
在下图中为按钮、按触器双重互锁的正反转控制线路,这种线路在按钮互锁的基础上增加了接触器互锁,所以兼有两种互锁控制一条线路的优点,线路操作方便,工作安全可靠。 三相电机按钮与接触器双重互锁的正反转控制电路该控制电路在电力拖动中使用广泛,如z3050型摇臂钻床立柱松紧电动机的正反转控制,以及X62W型万能铣的主轴反接制动控制,都是采用这种控制线路。
图1:按钮、接触器双重互锁正反转控制线路电路图 按钮、按触器双重互锁的正反转控制线路的工作原理,先合上电源开关QS: 1、正转控制:按下SB1→SB1动断触头先分断对KM2互锁、SB1动合触头后闭合→KM1线圈通电→KM1自锁触头闭合自锁、KM1互锁触头分断对KM2互锁、KM1主触头闭合→电动机M启动连续正转。 2、反转控制:按下SB2→SB2动断触头先分断→KM1线圈失电→KM1自锁触头分断、KM1互锁触头复位(SB2动合触头后闭合)→电动机M失电→KM2线圈通电→KM2自锁触头闭合自锁、KM2互锁触头分断对KM1互锁(切断正转控制电路)、KM2主触头闭合→电动机M启动连续反转。 当需要停止运转时,按下SB3,整个控制电路失电,主触头分断,电动机M失电停转。在正反转控制线路中,除了用熔断器作短路保护外,还用热继电器作电动机的过载保护。 如果电动机在运行过程中,因为过载或其他原因,使负载电流超过额定值时,经过一定时间,串接在主电路中的热继电器双金属片受热弯曲,使串接在控制线路中的动断触头断开,切断控制线路电源,接触器KM的线圈断电,主触头断开,电动机M便脱离电源停转,达到过载保护的目的。 热继电器发生动作之后,经过一段时间的冷却,可以自动或手动复位为下一次动作作好准备。 由于发热元件的热惯性,热继电器不能做短路保护。因为短路事故发生时要求电路立即断开,但热继电器不能立即动作。 按钮与接触器双重互锁的正反转控制电路图例
按钮与接触器双重互锁的正反转控制电路,按钮互锁,将复合按钮动合触点作为起动按钮,而将其动断触点作为互锁触点串接在另一个接触器线圈支路中。 电动机双重互锁正反转控制接线图
电动机双重互锁正反转控制接线图,SB2和SB3均为复合按钮,合上电源开关Q,按下起动按钮SB2,其常闭触点SB2断开,使接触器KM2不得电,常开触点SB2接通,使接触器KM1得电吸合并自锁,其主触点闭合,接通电源,电动机正向起动运转。 接触器双重互锁的正反转控制电路图一例
分享一例按钮与接触器双重互锁的正反转控制的电路图,将复合按钮动合触点作为起动按钮,而将其动断触点作为互锁触点串接在另一个接触器线圈支路中。 |
动机按钮与接触器双重互锁的正反转控制电路" width="508" height="281" />










