电机星形起动电机不转,时间到了三角形电机又转是什么原因?
|
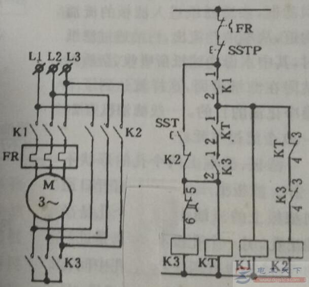
问题:电机丫/△启动时电机不转,延时过后三角接法时转动了。 根据故障现象初步分析:丫/△启动器一般使用在三角接法同时功率较大的电机,以此来帮助降压启动的设备。 在电机启动时把电机三角接法改变成星形接法去启动,将原三角接法三相绕组供电的线电压380V变成了线电压220Ⅴ供电电压,电流、电压附降低了1.73倍,达到了降压启动的目的。 既然三角运行可以,也就是说电机没有经过星形启动,延时过后三角直接启动了,完全没有星形降压启动过程。 出现以上现象很可能有三种原因: 1、星形启动的交流接触,上口的A、B、C设有联接,也就是星形接法的星点沒有接通。 2、星启动接触器损坏,有二相不通。 3、星启动交流接触器线圈损坏坏无法吸合。 以上三种原因会造成以上所说故障,需要仔细捡查。 这明显是星接起动时,星接接触器没有吸合,只有时间继电器与电源接触器吸合,电动机虽然已通电,但三相绕组的另一端没有连接起来,也就是没有封星,三相绕组没有形成回路,所以电动机不转。等时间继电器延时结束,接通三角接触器线圈回路,三角接触器吸合,电动机就运转起来了。但这是全压起动,会带来系统电压降过大的问题,有可能影响其它设备的正常运行。 造成星接触器不吸的原因,大多是线圈断线或烧坏,也可能外部线路问题,需要重点检查与星接触器有关的线路。为了避免出现这种问题,除了平时加强维护外,似乎没有更好的方法。其实不然,可以通过合理设计控制电路来避免这种问题。 如下图,多年前设计的星三角起动控制电路,即可以避免这种问题。
按下起动按钮SST,星接触器K3与时间继电器KT吸合,其各自的常闭辅助触点K3(3-4)、KT(3-4)断开,使K2不能吸合,各自的常开辅助触点KT(1-2)、K3(1-2)闭合,使电源接触器K1吸合,电动机进入星接状态起动,K1的辅助常开触点K1(1-2)闭合,使K3、KT、K1保持在吸合状态。当KT延时结束,KT延时断开触点KT(5-6)断开,星接触器K3释放,K3(1-2)断开,时间继电器KT释放,KT(3-4)、K3(3-4)恢复闭合,三角接触器K2吸合,电动机转入角接状态运行。SSTP是停止按钮,FR是热继电器。 这个电路的优点:利用K3、KT、K1各自的辅助常开触点闭合来同时保持三者处于吸合状态,只要其中之一不吸合,其它两个就会跟着释放,不会出现K3不吸合只有KT、K1吸合的情况。避免了这个问题再次出现,从根本上彻底消除隐患。KT(3-4)这个触点可以不用,使用其它的目的是推迟K2吸合,避免星角转换发生弧光短路。 |






