12v微型直流电机调速的控制方法详解
时间:2022-11-24来源:佚名
|
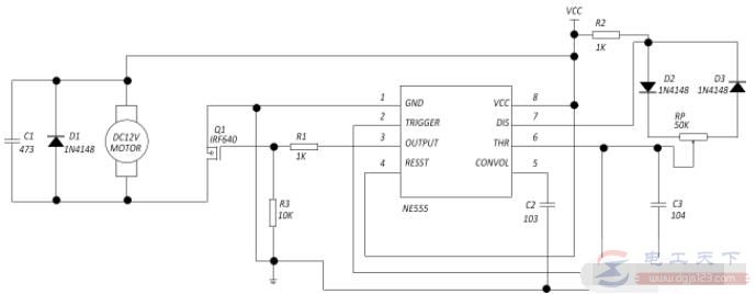
12v微型电机应用广泛,调速控制方法非常多,以下是介绍一种简单脉冲调速方法,电路图如下所示,12v微型直流电机调速的控制方法,有需要的朋友参考下。 12v微型直流电机调速的控制方法用一个占空比可调的脉冲振荡器,微型直流电机通过其脉冲输出进行驱动,脉冲的占空比越大,微型直流电机电枢电流就越小,转速就越慢,反之脉冲占空比越小,微型直流电机的电流就越大,转速就越快。
电路图中如调整RP的数值,即可调节微型直流电机的转速。D1为蓄流二极管,在场效应管在截止期间,可以为电驱电流提供通路,既可以保证电驱电流的连续性,又可以防止电驱线圈损坏场效应管。 12v微型电机调速电路所需元器件: 1、NE555集成电路×1; 2、1N4148二极管×3; 3、1K电阻×2; 4、10电阻×1; 5、50K电位器×1; 6、103瓷片电容×1; 7、473瓷片电容×1; 8、104瓷片电容×1; 9、IRF640场效应管×1;
根据电路图焊接元器件,焊接完毕后,检查电路是否有问题,如无问题接通12v直流电,连接12v微型直流电机测试调速效果,可以调节微型电机转速,如图所示:
以上就是12v微型电机的转速调节控制方法,对于熟悉电路的人来说,还是比较好理解的,希望对大家有所帮助。 |










