软启动器输出缺相故障ERR05什么原因?
时间:2022-11-26来源:佚名
|
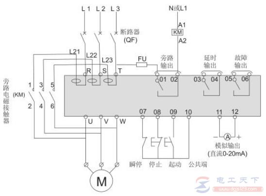
软启动器输出缺相故障ERR05 软启动器缺相故障在设备调试和现场使用中均可能出现,先来说下输出缺相的检测,当按下启动键后,控制面接到启动命令,开始检测输入输出的电压是否正常,显示输出缺相肯定是检测到UVW输出端三点电压不一致或不正常,常见原因如下:
参考图:旁路电磁接触器 1、从UVW至电机接线端有一定距离,中间的压接端子没有压紧,导致线缆接触电阻过大,从而就会显示输出缺相。 2、软启动器可控硅晶闸管自身损坏,造成失去控制,也就会显示输出缺相。 3、最后,UVW所接负载不是电机类感性负载,三点电阻值过大,让控制板认为是输出缺相。 |









