一例双重连锁正反转控制的电路图详解
时间:2022-11-27来源:佚名
|
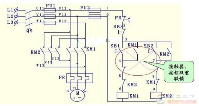
由接触器、按钮双重连锁实现的正反转控制电路图,如下图:
这是一种很常见的正反转控制电路,通过接触器、按钮双重联锁对电路进行保护。 一、电路主要元器件与作用 1、空气开关(QS):电源的通断,有短路、严重过载及欠电压保护2、熔断器(FU):短路保护; 3、接触器(KM):可频繁通断大电流,有灭弧功能,亦有欠电压保护4、热继电器(FR):过载保护; 5、按钮(SB):启停电路 二、控制电路的工作原理 1、主电路:从负载端往电源端看,即从下往上。 2、辅助电路:从上到下、从左往右,即先看电源,在顺次看各条回路。 分析清楚电气图的关键:看懂各元器件图形符号、文字符号,对元器件结构、功能掌握。 掌握该电气图的几个关键点:1、电气自锁(定义):依靠接触器自身的常开触电使其线圈保持通电;2、电气互锁:在同一时间段内两个接触器只允许一个通电工作的控制作业;(3)机械连锁:通过按钮的一对常开与常闭来实现两个接触器只允许一个工作(双保险); 三、电气图接线与检修方法 1、先对图纸进行标号,再照图对实物进行装接,在不熟练的情况下二次线最好一回路一回路的接; 2、可以用万用表的蜂鸣档检测电路的通断,蜂鸣档(电阻档)可以测出接触器线圈的电阻。
四、双重联锁正反转控制电路工作原理 1)正转控制
2)反转控制
3)停止: 无论正转还是反转状态下,只要按下SB1,整个控制电路就会失电,接触器各触头复位,电动机失电停转。 |











