一例星三角降压启动的电路图及运行原理
时间:2022-11-27来源:佚名
|
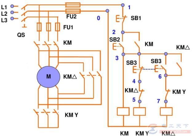
星三角降压启动的电路原理图 如下图所示:
星三角减压启动控制电路是在启动时将电动机的绕组接成星形(避免启动时电流过大),待启动后,将绕组接成三角形,让电动机全压运行。
电路运行原理: 1、星行启动 按下SB2->主接触器KM得电吸合->电流同时流过SB3常闭触点、角接触器辅助常闭触点、星接触器线圈->星接触器闭合->电动机封星运行。
2、星自锁
3、星角切换 按下按钮SB3->星接触器断电(联通角接触器常闭触点断开)->同时角接触器线圈得电吸合->星角接触器切换完毕。
4、角接全压运行 松开按钮SB3->角接触器自锁->全压运行。
|











