并联型开关电源的原理与稳压过程说明
时间:2022-11-29来源:佚名
|
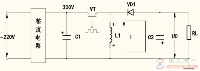
有关并联型开关电源的知识,介绍了并联型开关电源的基本工作原理,以及并联型开关电源的稳压工作过程,有需要的朋友参考下。 一、并联型开关电源的基本原理并联型开关电源如下图:
图1:串联型开关电源原理图 220V交流电经整流和C1滤波后,在C1上得到300V直流电压,该电压送到开关管VT的集电极。 当高电平脉冲信号送到VT的基极时,VT饱和导通,300V电压产生电流经VT、L1到地,电流在经过L1时,L1会产生上正、下负的电动势阻碍电流,同时L1中存储了能量;当低电平脉冲信号送到VT的基极时,VT截止,无电流流过LI,L1马上产生上负、下正的电动势,该电动势使续流二极管VD1导通,并对电容C2充电,充电途径为:LI的下正→C2→VD1→L1的上负,在C2上充得上负、下正的电压U0,该电压供给负载RL。 二、并联型开关电源的稳压过程如果市电电压上升,C1上的电压也会上升,流过L1的电流大,L1存储的能量多;在VT截止时L1产生的上负、下正电动势高,该电动势对C2充电,使电压U0升高。 为了保证在市电电压上升时C2两端的电压不会上升,可以让送到VT基极的脉冲信号变窄,VT 导通时间短,流过绕组L2的电流时间短,L2储能减小。在VT截止时产生的电动势下降,对C2充电电流减小,C2两端的电压又回落到正常值。 24v开关电源接线图
有关24v开关电源接线图与接线方法,开关电源的右边接点、下面三个接点、上面四个接点的接线方法,一个完整的开关电源接线端子接线图。 开关电源接线图
一个开关电源的接线图,红线接火线,绿色接零线,不同插头的接法,通过本例来学习下开关电源的接线方法。 |











