双电源自动切换开关电气图画法(附PC级电路接线符号系统图)
时间:2022-12-02来源:佚名
|
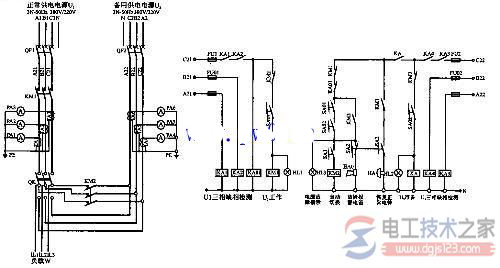
【双电源自动切换开关在电气图画法】 ![]() 双电源自动转换开关零线的几种接法: ① 四极双电源自动转换开关,零(N)线单独分开,各自接常用电网和备用电网的零(N)线。 ② 三极双电源自动转换开关的零线有二种接法:一种是常用电源和备用电源的零(N)线单独分开。另一种是常用电源和备用电源的零线接在一起连通。当常用电源和备用电源的零线连通在一起时,常用电源的线路或备用电源的线路,不能在双电源自动转换开关的上一级装设剩余电流动作断路器,否则在双电源自动转换开关进行转换的时候,剩余电流动作断路器会自动跳闸。 对高感抗负载转换控制的注意事项: ATSE一般是不允许带大电动机或高感抗负载转换,诸如大电动机该类负载在运行中切换,电源相位差距较大时它将受到巨大的机械应力。同时由电动机产生的反电势引起的过电流以至造成熔断器熔断或断路器脱扣。解决方法常采用电阻吸收或减负荷方式,或自动转换开关为延时转换型。两组动触头在转换前增加一延时,避免在切换大电机或变压器负载时引起的冲击电流。 |










