用光电耦合器隔离驱动电路的具体要求
时间:2022-12-06来源:佚名
|
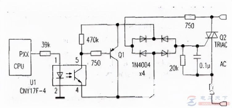
用光电耦合器隔离驱动电路,具体使用方法如下: 在微机的接口电路中实现主机与外设的隔离,一般有二种方式,一种是使用继电器,一种是使用光电耦合器。 采用电池的功耗产品,对电池的电能消耗需要优先考虑,附图中的电路采用光电耦合器作为隔离,电池的消耗电流可低至50μA以下,但驱动器提供的电流大于1A。 该电路对元件的要求较高,光电耦合器U1只能采用型号为CNY17F-4的正品元件,在实际过程中试过十多种光电耦合器,只有此型号输入电流50μA时,电路可以工作,其余光电耦合器驱动电流都需要几百微安以上。
Q1、Q2的耐压可以根据两管工作输入电压的大小来定,如果输入电压大于220V,则需要使用耐压高于400V的三极管与可控硅。 另外,对Q1要求穿透电流要小,对功率无具体要求。对Q2要求触发电流小于15mA,否则会出现负半周削波的现象。 怎么判断光电耦合器的好坏?
怎么判断光电耦合器的好坏?光电耦合器,又称光电隔离器或光耦合器,即为光耦。耦合媒介为光,通过光信号传递实现输入和输出之间的电隔离器件,可以在电路和系统之间传递信号。 |








