74hc138怎么组成16线译码器
时间:2022-12-06来源:佚名
|
74hc138组成16线译码器 具体方法为: 两片138的输出一共有16个,就不用管输出了;然后看输入,输入每片有3个输入将它们连接起来,这是三个输入,还有一个输入,用使能端来实现。 138有三个使能端,一个接高电平,两个接低电平,接高电平的一端用来接另外的输入,其中第二片连接一个非门,就有了四个输入。 如此,4线16线的译码器就制作完成了。
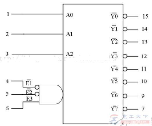
图1:74HC138逻辑图 什么是译码器 实现译码器功能的组合逻辑电路,称为译码器,其输入是二进制的代码,输出是一组高低电平信号,每输入一组不同的代码,只有一个输出端呈现有效信号。 什么是编码器 完成编码功能的数字逻辑电路,称为编码器,其逻辑功能与译码器正好相反。 译码器实现“多对一”译码,而编码器实现“一对多”译码。 |







