一款车载逆变器电路图及工作原理分析
时间:2022-12-09来源:佚名
|
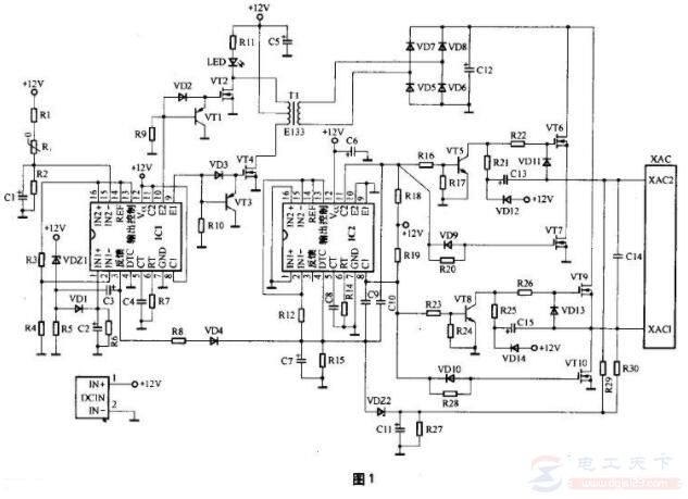
有关车载逆变器的相关知识,介绍了一款常见车载逆变器的电路图,以及这种车载逆变器的工作原理,车载逆变器分为正弦波输出和方波输出两种,下面就来详细看下。 车载逆变器电路及工作原理该车载逆变器的输出功率为70W-150W,逆变器电路中主要采用TL494或KA7500芯片为主的脉宽调制电路。 车载逆变器指标: 输入电压:DC 10V~14.5V; 输出电压:AC 200V~220V±10%; 输出频率:50Hz±5%; 输出功率:70W~150W; 转换效率:大于85%; 逆变工作频率:30kHz~50kHz。 车载逆变器的电路图:
车载逆变器是什么,它是一种把汽车上的12V(柴油车为24V)直流电转换为家庭里通常使用的220V/50Hz交流电的电子装置。 从输出波形来分,车载逆变器分为正弦波输出和方波输出两种。前者输出的是同日常使用的电网一样的正弦波交流电,可以适应各种负载,但电路结构比较复杂,体积也较大;后者电路简单,但对负载比较挑剔,不能驱动感性负载。 车载逆变器是什么
有关车载逆变器的知识,介绍了什么是车载逆变器,在汽车中车载逆变器的作用是什么,在使用车载逆变器时应如何掌握正确的使用方法,电工天下小编带大家来了解下。 车载逆变器的使用方法
有关车载逆变器的使用方法,很多人不知道怎么使用车载逆变器,一般看下说明书就会使用,车载逆变器的使用方法十分简单,电工天下小编整理了车载逆变器的用法及使用注意事项,供大家参考。 |











