10kV线路无功补偿装置接线原理图
|
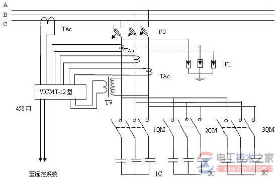
有关10kV线路无功补偿装置的接线原理图,10kV多级投切自动补偿装置结构,以及10kV多级投切自动补偿装置的主要技术参数与接线方法,下面一起来看下。 10kV线路无功补偿装置接线原理图农网10kV线路的无功补偿一般采用变电站集中补偿方式,这种补偿方式只对站内主变所需的无功进行了补偿,而对10kV线路及线路上的大量配变无功没有任何补偿作用,对于线路无功损耗必须采取就地无功补偿才能真正降低线损。 农网线路较长,负荷分布不均匀,需安装的补偿点较多,如果照搬变电站的无功补偿模式,势必造成投资大,补偿效果不明显,且安装维护不方便。来自:电工之友 www.dg51.com 如果采用固定地点安装固定容量的补偿方法,虽然投资较少,但由于未加任何保护,在运行条件恶劣的农网中常发生电容器烧毁事故,给电网运行造成安全隐患,其次由于补偿容量是固定的,随着线路负荷的波动极易造成过补或欠补现象,造成无功倒送,不但起不到降低线损的作用,还会造成局部电压升高,烧毁运行设备。 因此,10kV线路无功补偿应自动投切、平滑补偿、保护可靠、造价低廉、安装方便,才能适应农网线路长、补偿点多、运行条件恶劣的需要。 10kV多级投切自动补偿装置适用于交流50Hz,6~10kV电力线路及无功消耗集中区(工业园)或工矿企业的无功就地补偿,特别适宜无功负荷变化较大或补偿容量较大(600kvar以上)的线路。 一、10kV多级投切自动补偿装置结构 10kV多级投切自动补偿装置由两组及以上真空投切开关多组电容器和限流电抗器及保护用电流、电压互感器组成,用12型电压无功综合控制器控制投切,留有远方通讯的458数字接口,可同WH-200无功综合控制联机,在线实时按潮流进行综合控制。 同时安装USB3000系列微机保护单元,每组电容器都有二段过流和零序保护功能,当某组电容器出现故障时,可自动切除该组电容器并闭锁,不影响整套装置的正常投切,根据实际情况配置不同规格的电抗器,以限制合闸涌流及高次谐波对电容器的损坏。 二、主要技术参数 1、GBW12/3/1000型自动投切补偿装置 见图1。
图1 GBW-12自动补偿装置接线原理图 4、GBW12/3/1000型自动补偿装置的特点 多级平稳平滑补偿,避免过补及欠补。 该补偿装置按照电力线路的无功需要,分别投入电容器组,可提供一静两动、两动、一静三动、三动等四种补偿方式以及8种容量电容器组合,平稳平滑的按无功需求补偿,特别适用于电力线路无功峰谷变化较大或补偿容量较大的工矿企业及电力线路。因采用多种投切容量组合,不会出现单级补偿造成的过补及欠补现象,平均功率因数可在0.95以上,降损效果显著。 提高线路的电压合格率。采用GBW-12型电压无功补偿智能控制器,在按无功需量自动投切电容器补偿无功的同时,综合考虑线路电压,保持补偿过程中电压平稳,改善电压质量。 按逻辑顺序投切,避免投切震荡。由于网络中大部分为感性负荷,因而当线路停电后,再送电时,线路中未退出运行的感性负荷在电压变化时,极易在某点同系统的电容器发生并联谐振,造成系统电压震荡,对设备造成损坏。GBW-12/型自动补偿装置安装控制震荡的逻辑顺序投切电路,在网内的电容器组,先送电再按时间逻辑投切,避免电压过渡过程中造成感性和容性负荷的涌流震荡。 GBW-12/型自动补偿装置装有远传458数字接口,可同其他远控调度联机,实现在线(GPRS)远方控制。 多重保护保证运行可靠。GBW-12型自动补偿装置有过流、过压、欠压及停电电容器自动退出保护,自动检测谐波含量等保护方案,对于存在谐波的线路,采取抑流措施,保证投切可靠性和电容器组的运行可靠性;对于有重合闸的线路,GBW-12型自动补偿装置采取线路停电时快速切除(利用备用电源),送电后判断延时恢复投切,避免因电容器未充分放电,重合闸造成的电压叠加引起电容器爆炸。 三、总结 GBW-12/3/1000型高压无功补偿装置采用箱变型整体结构,易于安装,维护方便,投资少,降损效果明显,经济效益显著,设备投资回收快,投资回报率高。 |











