栅极与源极间电阻的作用
时间:2022-12-10来源:佚名
|
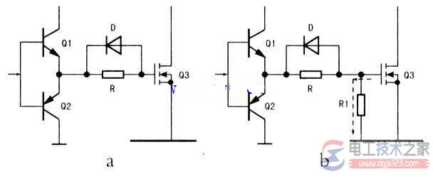
有关栅极与源极间电阻的作用,在栅极与源极间添加电阻,一是为场效应管提供偏置电压,二是起到泻放电阻的作用:保护栅极G-源极S,保护场效应管的作用等。 栅极与源极间电阻的作用 一是为场效应管提供偏置电压;二是起到泻放电阻的作用:保护栅极G-源极S;第二个作用的原理——保护栅极G-源极S:场效应管的G-S极间的电阻值是很大的,这样只要有少量的静电就能使他的G-S极间的等效电容两端产生很高的电压,如果不及时把这些少量的静电泻放掉,他两端的高压就有可能使场效应管产生误动作,甚至有可能击穿其G-S极;这时栅极与源极之间加的电阻就能把上述的静电泻放掉,从而起到了保护场效应管的作用。 例子:MOS管在开关状态工作时,Q1、Q2是轮流导通,MOS管栅极在反复充、放电状态,如果在此时关闭电源,MOS管的栅极就有两种状态:一种是放电状态,栅极等效电容没有电荷存储;另一个是充电状态,栅极等效电容正好处于电荷充满状态,如下图a所示。
虽然电源切断,此时Q1、Q2也都处于断开状态,电荷没有释放的回路,但MOS管栅极的电场仍然存在(能保持很长时间),建立导电沟道的条件并没有消失。这样在再次开机瞬间,由于激励信号还没有建立,而开机瞬间MOS管的漏极电源(V1)随机提供,在导电沟道的作用下,MOS管立刻产生不受控的巨大漏极电流Id,引起MOS管烧坏。 为避免此现象产生,在MOS管的栅极对源极并接一只泄放电阻R1,如下图b所示,关机后栅极存储的电荷通过R1迅速释放,此电阻的阻值不可太大,以保证电荷的迅速释放,一般在五千欧至数十千欧左右。 灌流电路主要是针对MOS管在作为开关营运用时其容性的输入特性,引起“开”、“关”动作滞后而设置的电路,当MOS管作为其他用途,例如线性放大等应用时,就没有必要设置灌流电路。 |







