家用配电箱接线图图文详解
时间:2022-12-10来源:佚名
|
有关家用配电箱的接线图,家庭配电箱分金属外壳和塑料外壳两种,有明装式和暗装式两类,家庭配电箱的安装要点有哪些,一起来了解下。 家用配电箱接线图 本节重点介绍下对家庭配电箱安装的知识,以及家庭配电箱接线图,帮助大家了解家庭配电箱的相关知识。 家庭电路的铺设,家庭配电箱安装涉及到家居用电的安全。 一、家用配电箱的分类
1、家庭配电箱分金属外壳和塑料外壳两种,有明装式和暗装式两类,其箱体必须完好无缺。 2、家庭配电箱的箱体内接线汇流排应分别设立零线、保护接地线、相线,且要完好无损,具良好绝缘。 3、空气开关的安装座架应光洁无阻并有足够的空间。 二、家用配电箱的安装要点: 1、家庭配电箱应安装在干燥、通风部位,且无防碍物,方便使用。 2、家庭配电箱配电箱不宜安装过高,一般安装标高为1.8米,以便操作 3、进配电箱的电管必须用锁紧螺帽固定。 4、若家庭配电箱配电箱需开孔,孔的边缘须平滑、光洁。 5、配电箱埋入墙体时应垂直、水平,边缘留5—6毫米的缝隙。 6、配电箱内的接线应规则、整齐,端子螺丝必须紧固。 7、各回路进线必须有足够长度,不得有接头。 8、安装后标明各回路使用名称。 9、家庭配电箱安装完成后须清理配电箱内的残留物。
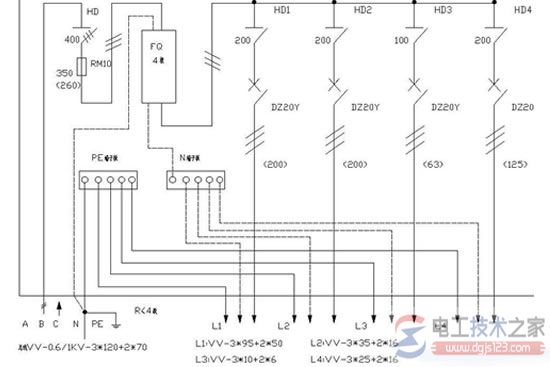
家庭配电箱接线图在进行安装的时候也是必不可少的,小编特地为大家准备了几幅很详细的接线图。
家用配电箱接线图
以上就是家用配电箱安装知识,以及家用配电箱安装的接线图,希望对大家有所帮助。 |











