塔机电气控制柜电气原理接线图

时间:2022-12-10来源:佚名

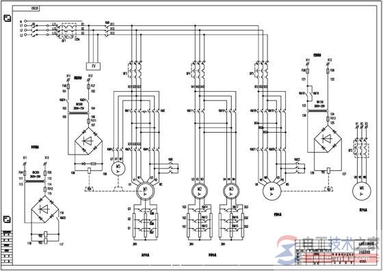
有关塔机电气控制柜电气原理图,学习下塔机电气控制柜的接线方法,简单实用的一个塔机电气控制柜电气原理图,感兴趣的朋友参考下。

塔机电气控制柜电气原理图

如图:

塔机电气控制柜电气原理接线图

    相关阅读

    运放电路图讲解 运放的8种基本应用电路

    1. 电压跟随器 电压跟随器(也称为缓冲器)不会放大或反相输入信号,而是在两个电路之间提供隔离。输入阻抗很高,而输出阻抗很低,避免了电路内的任何负载效应。当输出直接连接...
    2023-08-18
    运放电路图讲解 运放的8种基本应用电路

    PCB板去耦电容大小选择与布置

    一、PCB板中去耦电容的分类 去耦电容在补偿集成片或电路板工作电压跌落时能起到储能作用。它可以分成整体的、局部的和板间的三种。整体去耦电容又称旁路电容,它工作于低频(...
    2023-03-31
    PCB板去耦电容大小选择与布置

    吊顶内电气管线安装施工和明敷电气管路安装固定都有哪些注意点

    吊顶内电气管线安装施工 1、吊项内各种管线应有一个总体规划,水、电、风管道应统一考虑,综合布局。 吊顶内的管线安装宜按明装施工沿支架敷设,明配管的施工质量要求要做到,...
    2023-06-11
    吊顶内电气管线安装施工和明敷电气管路安装固定都有哪些注意点

    一例吊扇电容器的启动接线图

    一个吊扇电容器的启动接线图,包括主绕组、副绕组、电容、火线与零线的接法,简单入门级吊扇电容器接线图,感兴趣的朋友参考下 吊扇电容器启动接线图 如图: 检查方法:用万用...
    2023-06-26
    一例吊扇电容器的启动接线图

    变频器中使用软启动器的条件

    变频器和软启动器的启动过程相似,都属于柔性启动,降低启动电流,从而减轻对负载的冲击。 二者区别:软启动器到达50HZ后,切换到工频旁路上去,保持工频运行(不能改变频率)...
    2024-03-18
    变频器中使用软启动器的条件

    热销商品

    加厚abs安全帽电工建筑工地程施工领导监理透气防砸头盔可印字V型

    这款加厚ABS安全帽专为电工、建筑工地施工人员、领导及监理设计,采用高强度ABS工程塑料,抗冲击、防砸性能优异,有效保障头部安全。帽体加厚设计,增强耐用性与防护等级...
    5.8

    欧普led筒灯3w孔灯超薄桶灯吊顶天花灯过道嵌入式洞灯客厅5w

    欧普LED筒灯是一款高品质嵌入式照明产品,适用于客厅、过道、吊顶等多种场景。采用优质LED光源,提供3W和5W两种功率选择,光线柔和均匀,显色指数高,有效还原真实色彩。超...
    7.45

    水口钳高硬度模型剪钳电子钳工业级口水剪斜嘴钳偏口斜口专用钳子

    水口钳高硬度模型剪钳是一款工业级精密工具,专为电子、模型制作及精细作业设计。采用优质高碳钢材质,经热处理工艺打造,具备卓越的硬度和耐磨性,可轻松剪切金属引脚、...
    4.8

    170电子剪钳II 如意斜口钳 工业斜嘴钳水口钳 模型剪塑胶钳尖嘴钳

    170电子剪钳II如意斜口钳是一款专业级精密工具,集工业斜嘴钳、水口钳、模型剪、塑胶钳与尖嘴钳功能于一体,适用于电子维修、模型制作、手工艺及精密作业。其采用优...
    4.5

    安全帽国标工地加厚施工领导透气安全头盔建筑工程监理免费印字

    本款安全帽严格遵循国家GB 2811-2019标准,专为建筑工程、工地施工及监理人员设计。采用高强度ABS工程塑料,加厚壳体有效抗冲击,保障头部安全。帽体轻盈透气,内置可调...
    10

    网站栏目