变电站配电设备分类(一次设备与二次设备)
时间:2022-12-10来源:佚名
|
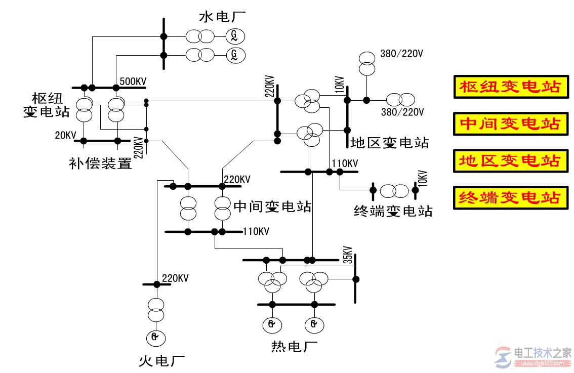
一、变电站配电设备分类 一般带高压的配电设备称为一次设备: 二次设备:辅助或者反应一次设备工作状态的,一般为低压。都可以称为二次设备:按钮、指示灯、电流电压表、继电器,保护系统,监控系统,计量系统,通讯系统等。 二、变电站在电力系统的种类划分 变电站是混迹电源、升降电压和分配电力的场所,是联系发电厂和用户的中间环节。 变电站有升压和降压之分。升压变电站通常是发电厂升压站部分,紧靠发电厂。 降压变电所通常远离发电厂而靠近负荷中心。根据变电站在电力系统中所处的地位和作用,可分为以下几类。 (1)枢纽变电站 (2)中间变电站 (3)地区变电站 (4)企业变电站 (5)终端变电站
|








