家用配电箱接线图示例

时间:2022-12-10来源:佚名

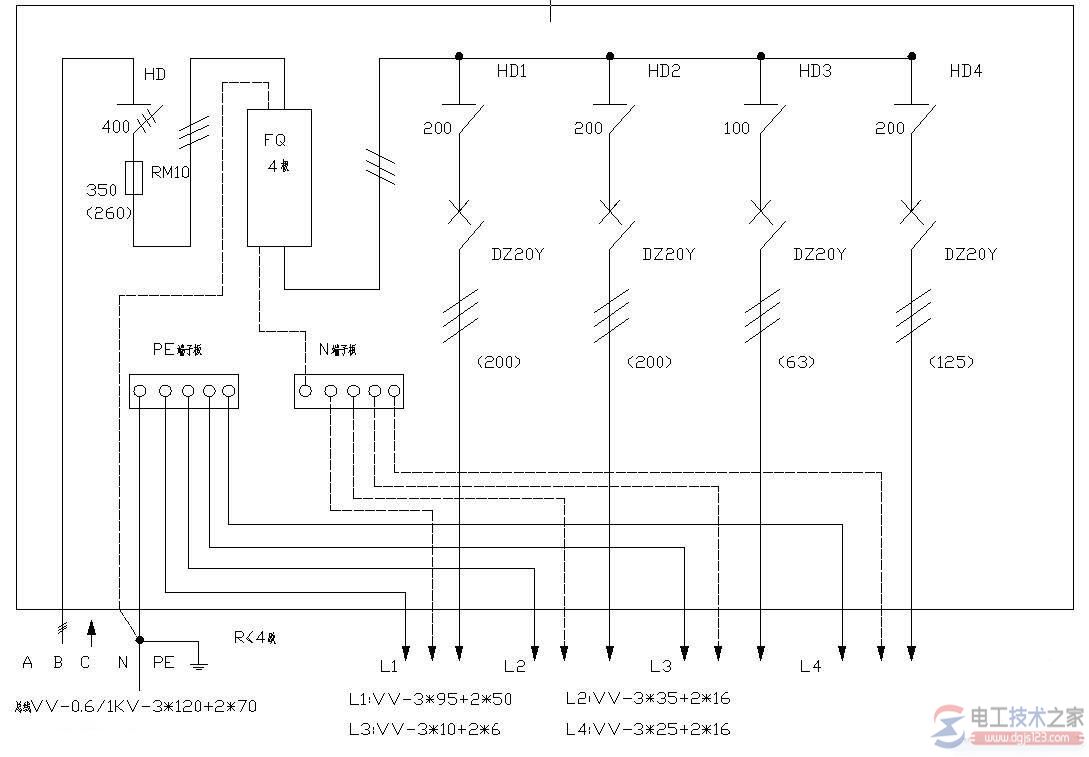
分享一例家用配电箱的接线图,家用配电箱如何接线,需要一定的电工专业知识,希望本文提供的家用配电箱接线图,能对各位电工朋友有一定帮助。

家用配电箱接线图示例

相关阅读:

相关阅读

贴片电容怎么测量容量大小

可利用万用表R×1k或R×100档对贴片电容进行检测,检测容量大于o.047pF的贴片电容,检测容量小于O.047pF的R×lOk档。但是容量过小时万用表没有反应,此时指针指示,可以判断电容是否漏电...
2023-03-31
贴片电容怎么测量容量大小

600MW机组捞渣机检修破坏炉底水封技术措施

1、操作前根据负荷条件,对锅炉全面吹灰,若条件不允许,也应对空预器,省煤器进行吹灰。 2、全面检查机组的运行方式,机组设备的运行状态,保护投退的情况。 3、将机组负荷在...
2023-09-22
600MW机组捞渣机检修破坏炉底水封技术措施

什么是位式控制?

目前使用的控制系统中最简单的控制规律就是位式控制,说到位式控制,可以说几乎所有的人都使用过,如家中开关电灯、开关水龙头(尤其是快开、快关水龙头更形象)就是个位式控制的...
2023-03-21

家里停电但邻居有电是什么原因,如何解决

家里突然没电,但邻居家有电?有多种状况,我们逐一分析! 家里突然没电了,大部分原因是家用电器或是家庭线路老化以及电路安装不规范引起的断路、过负荷、漏电等多种原因,碰...
2023-05-21
家里停电但邻居有电是什么原因,如何解决

PLC定时脉冲信号标准程序

plc 编程中,经常要求能够维持一个扫描周期时间的定时脉冲信号,如图所示。由于不同分辨率的定时器,其计时当前值和状态标志位的刷新变化不同,很容易造成编程的错误,有时调试...
2023-03-21
PLC定时脉冲信号标准程序

热销商品

加厚abs安全帽电工建筑工地程施工领导监理透气防砸头盔可印字V型

这款加厚ABS安全帽专为电工、建筑工地施工人员、领导及监理设计,采用高强度ABS工程塑料,抗冲击、防砸性能优异,有效保障头部安全。帽体加厚设计,增强耐用性与防护等级...
5.8

欧普led筒灯3w孔灯超薄桶灯吊顶天花灯过道嵌入式洞灯客厅5w

欧普LED筒灯是一款高品质嵌入式照明产品,适用于客厅、过道、吊顶等多种场景。采用优质LED光源,提供3W和5W两种功率选择,光线柔和均匀,显色指数高,有效还原真实色彩。超...
7.45

水口钳高硬度模型剪钳电子钳工业级口水剪斜嘴钳偏口斜口专用钳子

水口钳高硬度模型剪钳是一款工业级精密工具,专为电子、模型制作及精细作业设计。采用优质高碳钢材质,经热处理工艺打造,具备卓越的硬度和耐磨性,可轻松剪切金属引脚、...
4.8

170电子剪钳II 如意斜口钳 工业斜嘴钳水口钳 模型剪塑胶钳尖嘴钳

170电子剪钳II如意斜口钳是一款专业级精密工具,集工业斜嘴钳、水口钳、模型剪、塑胶钳与尖嘴钳功能于一体,适用于电子维修、模型制作、手工艺及精密作业。其采用优...
4.5

安全帽国标工地加厚施工领导透气安全头盔建筑工程监理免费印字

本款安全帽严格遵循国家GB 2811-2019标准,专为建筑工程、工地施工及监理人员设计。采用高强度ABS工程塑料,加厚壳体有效抗冲击,保障头部安全。帽体轻盈透气,内置可调...
10

网站栏目