电源变压器的检测方法(变压器绝缘性能检测与空载电压测试)
|
有关电源变压器的检测方法,包括变压器绝缘性能检测,空载电压的测试,电源变压器在出现故障时,应切断电源,找出故障所在。 电源变压器的检测方法变压器出现的故障有短路、断路、绝缘不良弓起的漏电叫声等。 当变压器出现故障时,应及时检查更换,尤其是电源变压器,出现焦糊味,冒烟、输出电压降低很多且温升很快时,应切断电源,找出故障所在。 1、检测一、二次绕组的通断,将万用表置于Rx1挡,将两表笔分别碰接一次绕组的两引出线,阻值一般为几十-几百欧,若出现∞则为断路,若出现0阻值,则为短路。用同样方法测二次绕组的阻值,一般为几-几十欧 (降压变压器),如二次绕组有多个时,输出标称电压值越小,阻值越小;线圈断路时,无电压输出,断路的原因有外部弓线断线、引线与焊片脱焊、受潮后内部霉断等。 2、检测各绕组间、绕组与铁心目的绝缘电阻万用表置于Rx1Ok挡,将一支表笔接一次绕组的一引出线,另一表笔分别接二次绕组的引出线,万用表所示阻值应为叨位置,若小于此值时,表明绝缘性能不良,尤其是阻值小于几百欧时表明绕组间有短路故障。 用上述的方法再继续检测绕组与铁心之间绝缘电阻 (一支表笔接铁心,另一文表笔接备绕组弓出线)。 检测过程如图1。 图1 变压器绝缘性能检测
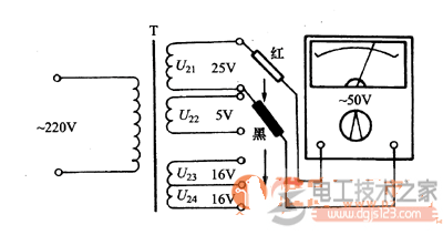
3、测试变压器的二次绕阻空载电压将变压器一次绕组接人220V电源,将万用表置于交流电压挡,根据变压器二次绕组的标称值,选好万用表的量程,依次测出二次绕组的空载电压,允许误差一般不应超出5%-10%为正常 (在一次绕组电压为220V的情况下),测量过程如图2。 若出现二次电压都升高,表明一次绕组有局部短路故障,若二次绕组的某个线圈电压偏低,表明该线圈有短路之处。 图2 空载电压的测试
4、若电源变压器出现"嗡嗡"声,可用手压紧变压器的线圈,若"嗡嗡"声立即消失,表明变压器的铁心或线圈有松动现象,也有可能是变压器固定位置有松动。 |







