电力变压器空载运行的特点
|
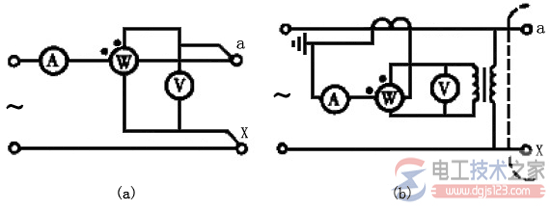
一、电力变压器空载运行的主要特点 变压器空载运行时,空载电流的无功分量很大,而有功分量很小。 因此,变压器空载运行时的功率因数很低,而且是感性的。 变压器的空载电流I二滞后电源电压U接近90度,但小于90度。变压器空载运行时,一次侧绕组的外加电压与其感应电动势,在数值上基本相等,但相位相差180度。 变压器空载运行时,由于空载电流很小,铜损耗近似为零。 因此,变压器的空载损耗近似等于铁损耗。 二、电力变压器的空载试验方法 一、空载试验的目的和意义 空载试验主要目的是发现磁化中的铁芯硅钢片的局部绝缘不良或整体缺陷,如铁芯多点接地、铁芯硅钢片整体老化等;根据交流耐压试验前后两次空载试验得的空载损耗比较、判断绕组是否有匝间击穿等情况。 空载损耗主要是铁芯的损耗,即铁芯的磁化所引起的磁滞损耗和涡流损耗。空载损耗还包括少部分铜损耗(空载电流通过绕组时产生的电阻损耗)和附加损耗(指铁损耗、铜损耗外的其他损耗,如变压器引起损耗、测量线路及表计损耗等)。计算表明,变压器空载损耗中的铜损耗及附加损耗不超过总损耗的3%。 空载损耗和空载电流的大小,取决于变压器的容量、铁芯的构造、硅钢片的质量和铁芯的制造工艺等。电力变压器容量在2000kVA以上时,空载电流约占额定电流大的0.6%-2.4%;中、小型变压器的空载电流约占额定电流的4%-16%。铁芯硅钢片采用的材质不同,其空载电流差异较大。 空载电流通常以额定电流的百分数I0%来表示,单相变压器I0(%)=(I0/IN)×100%。 三相变压器空载电流百分数I0%计算公式: 式中 I0(%)——空载电流百分数; 导致变压器空载损耗和空载电流增大的原因: 二、空载试验的试验方法 1. 单相变压器空载试验
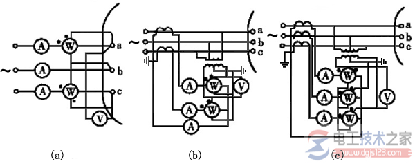
单相变压器空载试验接线图 2. 三相变压器空载试验 三相变压器的空载试验多采用两功率表法和三功率表法,试验接线如图7-27所示。
(a)两功率表法;(b)两功率表法,仪表经互感器接入; (c)三功率表法,仪表经互感器接入 I0a、I0b、I0c——电流表的实测值 3. 三相变压器的单相空载试验 进行三相变压器单相空载试验时,将三相变压器中的一相一次短路,按单相变压器的空载试验接线图接好,在其他两相上施加电压,测量空载损耗和空载电流。一相短路的目的是使该相没有磁通通过,因而也没有损耗。 (1) 当加压绕组为星形接线时,施加电压U=2UN/√3,测量方法如下: (2) 当绕压组为a-y、b-z、c-x连接,即三角形接线时,施加电压U=UN(额定的线电压),测量方法如下: (3) 当加压绕组为a-z、b-x、c-y连接,即三角形接线时,施加电压、测量方法和顺序同(2),只是第一次试验测量的是P0ac和I0ac,第二次试验测量的是P0bc和I0bc,第三次试验测量的是P0ab和I0ab。 (4) 单相空载损耗数据应符合以下两个要求: 4. 降低电压下的空载试验 由于施加的的试验电压较低,相应的空载损耗也很小,因此应注意选择合适量程的仪表,以保证测量的准确度,并应考虑仪表、线路等附加损耗的影响。 在低电压下得到的空载试验数据主要用于与历次空载损耗数值比较,必要时可近似换算成额定电压下的空载损耗。换算式为 式中 U'——试验时所加电压; 5. 直接用系统电源进行的空载试验 用系统电源进行空载试验时,由于没有调压的过程,而是系统电压直接加到变压器上,相当于投空载变压器,对系统有一定的影响。因此用这种方法试验时,应调整好各种继电保护、变压器及其他电力设备的运行方式,对变压器、线路、测量仪器设备进行仔细的检查,确认无误后方可进行。 试验前将测试仪表设备接好,将测试电流互感器用一组高压隔离开关短路,然后再系统电压下合电源开关,被试变压器将承受很高的操作过电压和很大的励磁涌流,待涌流流过后,用绝缘棒拉开短路用隔离开关在进行测试。现场没有高压隔离开关时应将测量电流互感器二次侧用低压开关短路,涌流过后拉开二次侧低压开关,防止涌流对测量仪表的冲击和损坏。 用系统电压作空载试验时为避免涌流ihe磁滞等的影响,合闸后应待涌流通过后合仪表读数非常稳定后方可读取测试数据,不应合闸后马上读取。 系统电压一般很少恰好与试品电压相等,但要根据系统的实测电压与试品额定电压的差异,来分析测量数据与出厂数据的差别,判断产品是否有故障。 由于系统电源的容量足够,系统电压与额定电压接近,可利用系统现有设备,不需要大容量的试验设备,试验电压波形无畸变,因而这种试验方法现场经常采用。 三、空载试验的注意事项 (1) 为测量准确,变压器空载试验所用的测量用互感器、仪器仪表的准确度不应低于0.5级。 (2) 空载试验使用的功率应选用cosψ=0.1,、准确度不低于0.5级的低功率因数功率表,这是因为在交流电路中,功率P=UIcosψ.变压试验时,cosψ很低,用普通的功率因数表,会造成电压、电流虽都达到功率表的标准值,而读数却很小,造成测量不准确。例如cosψ=1、倍数为5、满刻度、满刻度为150格的功率表(电压量程150V,电流5A)去测量cosψ=0.02的大型变压器的空载损耗,当电压为100V,电流为5A时,表读数却只有100×5×0.02=10格,即读数很小。不易读准确。 如果电压互感器的变比为100,电流互感器的变比为30,那么,上述表的读数每差0.1格(例如10.1读成10)的误差为0.1×30×100×5=1.5(kW),即误差的百分数为(0.1/10)×100%=1%。当改用倍数为0.5、用cosψ=0.1、满刻度为150格的同样量程档的低功率表去测量时,读数可提高到100格,每差0.1格时的误差百分数仅为0.1/100×100%=1%,所以现场空载试验时一般采用用cosψ=0.1、准确度为0.2、0.5级的低功率因数功率表。 (3) 接线时必须使用功率表的电流线圈和电压线圈两端子间的电位差最小,并注意电流线圈和电压线圈的极性。极性连接正确无误后,测量出的功率是两只功率表或三只功率表读数的代数和。功率表的指示可能是正值也可能是负值。 (4) 空载试验使用的互感器的极性必须正确连接,一、二次连接相对应,二次端子与表计极性相对应,不可随意。还需注意,互感器的二次端子中有一个应安全接地,对三相互感器或三只单相互感器,应是同名端、同一接地点接地。 (5) 对大型变压器进行现场空载试验时,应有事先经过上级同意的试验方案;了解变压器初厂试验时的铭牌空载损耗和空载电流百分数数值,选用合适变比和量程的互感器和仪表。直接用系统电压进行空载试验时,对有关继电保护,运行方式应予以计算调整,防止发生事故。试验时,试验现场应设围栏,做好各项安全措施,指定专人负责,保证试验时人身和设备安全。 (6) 精度要求较高的空载试验或对小容量变压器进行空载试验和对大容量变压器在低电压下进行空载试验时,应考虑排除附加损耗的影响。 式中 P'0——包括仪表及电缆线的损耗在没的空载损耗时实测值。 (7) 进行空载试验时,试验电源应有足够的容量。试验电源容量估算式为 为保证获得不畸变的正弦电波,实际选择容量时应尽量大于上式估算结果。 |








