家用配电箱的接线图实例

时间:2022-12-10来源:佚名

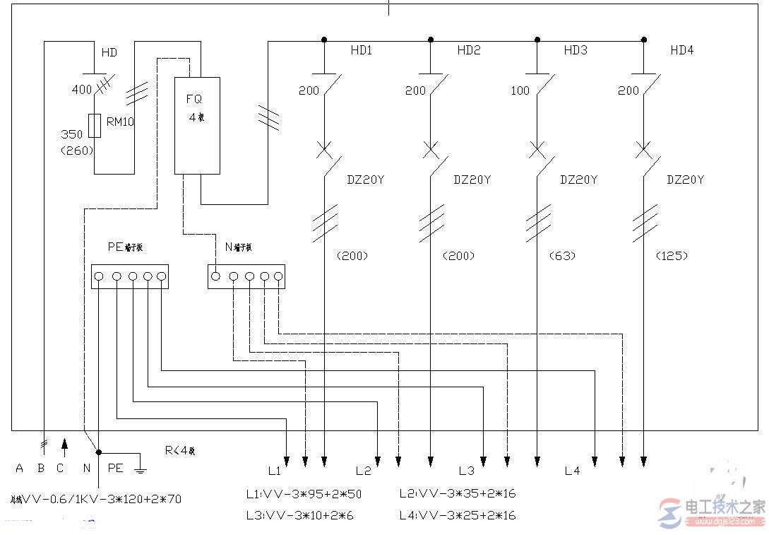
家用配电箱接线图

如下:

家用配电箱的接线图实例

    相关阅读

    电工常用照明电路——三地控制一只灯电路

    电工常用照明电路——三地控制一只灯电路 由两只单刀双掷开关和一只双刀双掷开关可以实现三地控制一只灯的目的。 电路图 三地控制一只灯电路如图1-12(a)所示。 图1-12 三地控制...
    2023-07-05
    电工常用照明电路——三地控制一只灯电路

    一例接近开关与光电传感器的接线图

    有关接近开关与光电传感器的接线图,包括传感器DC二线原理图、传感器DC三线接线图、传感器DC四线接线图、传感器交流两线接线图、传感器AC两线串联示意图等,有需要的朋友参考下...
    2023-06-26

    H桥电路原理图 H桥电路的工作原理和实例

    今天给大家介绍的是:H桥电路、H桥实例详细讲解。 一、H桥到底是什么电路? 简单来说,H桥就是一个简单的电路,包含4个开关元件,负载位于中心,呈H型。 H 桥电路可以切换附加负...
    2023-07-17
    H桥电路原理图 H桥电路的工作原理和实例

    三相五线制接线图及工作原理说明

    有关三相五线制的接线方法,三相五线制的接线图,地线在供电变压器侧和中性线接到一起,进入用户侧后不能作零线使用,三相五线制标准导线颜色为:A相黄色,B相绿色,C相红色,...
    2023-06-26
    三相五线制接线图及工作原理说明

    月薪八千找维修电工,听说倒班需要上24个小时,吓得电工掉头就跑

    在一个阳光明媚的早晨,某钢厂的招聘公告吸引了众多电工的目光。月薪高达8000元,管住不管吃,工作满半年后还为员工购买养老保险,听起来无疑是个“金饭碗”。当招聘负责...
    2024-08-09
    月薪八千找维修电工,听说倒班需要上24个小时,吓得电工掉头就跑

    热销商品

    加厚abs安全帽电工建筑工地程施工领导监理透气防砸头盔可印字V型

    这款加厚ABS安全帽专为电工、建筑工地施工人员、领导及监理设计,采用高强度ABS工程塑料,抗冲击、防砸性能优异,有效保障头部安全。帽体加厚设计,增强耐用性与防护等级...
    5.8

    欧普led筒灯3w孔灯超薄桶灯吊顶天花灯过道嵌入式洞灯客厅5w

    欧普LED筒灯是一款高品质嵌入式照明产品,适用于客厅、过道、吊顶等多种场景。采用优质LED光源,提供3W和5W两种功率选择,光线柔和均匀,显色指数高,有效还原真实色彩。超...
    7.45

    水口钳高硬度模型剪钳电子钳工业级口水剪斜嘴钳偏口斜口专用钳子

    水口钳高硬度模型剪钳是一款工业级精密工具,专为电子、模型制作及精细作业设计。采用优质高碳钢材质,经热处理工艺打造,具备卓越的硬度和耐磨性,可轻松剪切金属引脚、...
    4.8

    170电子剪钳II 如意斜口钳 工业斜嘴钳水口钳 模型剪塑胶钳尖嘴钳

    170电子剪钳II如意斜口钳是一款专业级精密工具,集工业斜嘴钳、水口钳、模型剪、塑胶钳与尖嘴钳功能于一体,适用于电子维修、模型制作、手工艺及精密作业。其采用优...
    4.5

    安全帽国标工地加厚施工领导透气安全头盔建筑工程监理免费印字

    本款安全帽严格遵循国家GB 2811-2019标准,专为建筑工程、工地施工及监理人员设计。采用高强度ABS工程塑料,加厚壳体有效抗冲击,保障头部安全。帽体轻盈透气,内置可调...
    10

    网站栏目