同步电机励磁装的工作原理与电路图
|
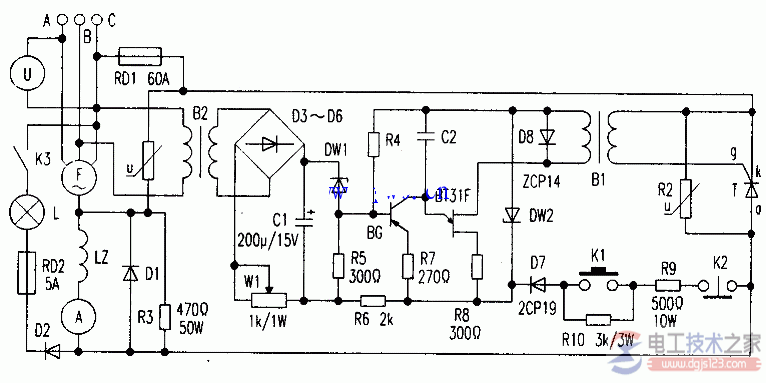
同步电机励磁装原理图 一、同步电机励磁装的电路工作原理 主电路是由可控硅T半波整流,供给励磁绕组L2的励磁电流,快速熔断器RD作过流保护,可控硅元件两端通过压敏电阻R2作过压保护,由于励磁绕组电抗很大,因此需加续流:二极管D1。同时。 在励磁绕组上并有电阻R3分流,使可控硅导通以后就能达到维持电流以上,以保证可控硅触发后不致立即关断。 触发电路的同步电源,由可控硅两端直接取出,经降压电阻R9、R10和整流二极管D7,以及稳压管DW2削波后送到单结晶体管触发电路的输入端。触发导通角由三极管BG的控制电路电压控制。 该控制电压由发电机输出线电压U。:经变压器B2降压,经D3一D6桥式整流和Cl滤波后,再到稳压管DWl与电阻R5分压取得。 显然,发电机电压Ubc的变化,必然导致R5两端电压的变化。从而改变三极管BG的控制电压。 由于R5两端电压的方向与原来的控制电压和方向相反(仍反馈)。 来自:电工技术之家 即当Ubc↑→Us2副边电压↑→Ur5↑→BG Ube↓→BGIC↓→C2充电发速度放慢→B1副边输出尖脉冲后移→T导通角减小→L2电流减小→U8c↓,反之,UBc↑。起到自动调节励磁电流的大小,实现发电机输出自控恒压。 调节电位器Wl的电阻,可以改变R5两端的反馈讯号电压的大小。因此,应用电位器W,能够整定励磁电流,从而整定发电机的输出电压(即通过手动调节使发电机达到额定电压)。
根据实物绘出电路如图 1.发电机电压不能建立。 大多数情况是剩磁电压过低,原因是稳压管DWl击穿、单结晶体管、三极管等元件出现故障。 2.发电机起励建压后,电压过低。 无法升高。一般是可控硅的导通角太小。而且无法使其加大,主要电阻R7或电阻R4阻值变大。 3.发电机端电压振荡。 原因是三极管BG、稳压管DWl接触不良,工作不稳定,电容Cl变质,容量显著下降等。 4.发电机起磁建压后,电压过高,无法降低。 这种情况出现表明可控硅导通角过大,而且无法通过移相使其减小。问题在Wl损坏或接线松脱,DWl变质。三极管BG热稳定性差。 |









