常见车载逆变器电路图及原理详解
|
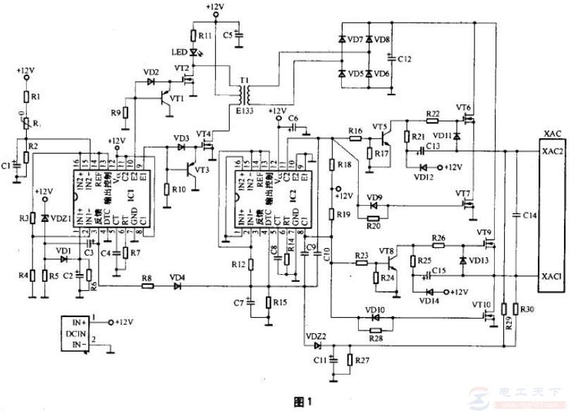
有关车载逆变器的相关知识,介绍了车载逆变器的主要技术指标,一款最常见的车载逆变器电路图,以及该车载逆变器的工作原理,有需要的朋友参考下。 车载逆变器电路图与工作原理车载逆变器指标: 输入电压:DC 10V~14.5V; 输出电压:AC 200V~220V±10%; 输出频率:50Hz±5%; 输出功率:70W~150W; 转换效率:大于85%; 逆变工作频率:30kHz~50kHz。 最常见的车载逆变器的输出功率为70W-150W,逆变器电路中主要采用TL494或KA7500芯片为主的脉宽调制电路。 车载逆变器的电路原理图:
该车载逆变器电路是一个数字式准正弦波DC/AC逆变器,其主要特点为: 1、采用脉宽调制式开关电源电路,转换效率高达90%以上,自身功耗小; 2、输出交流电压220V,并且具有稳压功能; 3、输出功率30W,可以扩容至1000w以上; 4、采用2 kHz准正弦波形,无需工频变压器,体积小、重量轻。 车用电源转换器电路由脉宽调制器、开关电路、升压电路、取样电路等几部分组成。 IC为脉宽调制型(PWM)开关电源集成电路CW3525A,其内部集成有基准电源、振荡器、误差放大器、脉宽比较器、触发器、锁存器等,输出级电路为图腾柱形式,具有200mA的驱动能力,图2为CW3525A(CW2525A、CWl525A同)各引脚功能。 IC内部振荡器的工作频率由其5、6脚外接定时电阻和定时电容决定,图1电路中振荡频率约为4kHz,通过内部触发器和门电路分配后,从其11脚与14脚轮流输出驱动脉冲,控制功率场效应管VT1、VT2轮流导通。当VT1导通时(此时VT2截止), 12V电源通过变压器T初级上半部分(2端→1端)经VT1到地。当VT2导通时(此时VTl截止), 12V电源通过变压器T初级下半部分(2端→3端)经VT2到地。通过变压器T的合成和升压,在T的次级即可获得220V的交流电压,其频率约为2kHz。由于变压器线圈对高频成分的阻碍,次级波形已不是方波,可称之为准正弦波。采用较高频率的准正弦波形,有利于提高效率和革除工频变压器,也能使大多数电器正常工作。 IC的5脚与7脚之间所接电阻用以调节死区时间,图1电路中死区时间约为2μs。设置死区时间可以保证VT1与VT2不会出现同时导通的情况,提高了电路的安全性与可靠性。 整流全桥UR与C4、R1~R3等组成取样反馈电路。输出端的220V交流电压经UR整流、C4滤波,R1、R2与R3分压后,从1脚送入IC内部误差放大器和比较器处理,进而自动控制11脚与14脚的输出脉宽(即脉宽调制),达到稳定输出电压的目的。
IC选用集成开关电源脉宽调制器CW3525A(或SG3525A、X3525),工作环境温度为0℃~70℃,通常可以满足需要。若需要在寒冷地区使用,可选用CW2525A(-25℃~85℃)或CW1525A(-55℃~125℃)。VT1、VT2选用N沟道功率场效应管2SK851,或其他耐压30V以上、电流30A以上的N沟道功率场效应管,制作时需安装散热片。VT1、VT2均工作于开关状态,管子自身功耗并不很大。变压器T需自行绕制,选用截面4 cm2左右的高频磁芯,初级用直径1.5mm漆包线双线并绕20圈,将A线的线尾与B线的线头连接在一起作为中心抽头2脚,A线的线头作为引线1脚,B线的线尾作为引线3脚。次级用直径0.8mm漆包线绕500圈。
在调试时,用交流电压表监测输出端的交流电压,调节R1阻值,使输出电压为220V,固定R1就可以了。 在使用时,将本电源转换器的输入插头插入汽车点烟器插座,用电器插入电源转 换输出插座就可以了。 车载逆变器的正确安装及接线方法
有关车载逆变器怎么安装的问题,在掌握了车载逆变器的选购方法后,也买到了适合自己用的车载逆变器,接下来就是正确安装它了,这里总结了车载逆变器的正确安装方法,以及对车载逆变器的接线方法,供大家参考。 车载逆变器怎么用
有关车载逆变器的使用方法,很多人不知道怎么使用车载逆变器,一般看下说明书就会使用,车载逆变器的使用方法十分简单,电工天下小编整理了车载逆变器的用法及使用注意事项,供大家参考。 |













