负反馈的组态类型与特点图解
|
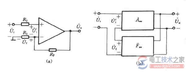
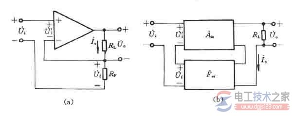
负反馈的组态类型与特点 对于负反馈来说,根据反馈信号在输出端采样方式以及在输入回路中求和形式的不同,共有四种组态,它们分别是:电压串联负反馈,电压并联负反馈,电流串联负反馈和电流并联负反馈。 下面结合具体电路分析上述四种负反馈组态的特点。 一、电压串联负反馈 在上图(a)所示的放大电路中,从集成运放的输出端到反相输入端之间通过电阻RF引入了一个反馈。由图可知,反馈电压UF等于输出电压UO在电阻R1和RF分压以后得到的值,即反馈电压与输出电压成正比。在放大电路的输入回路中,集成运放的净输入电压(即差模输入电压)Ui等于其同相同输入端与反相输入端的电压之举。在理想情况下,集成运放的输入电流为零,故电阻R2上没有压降,于是可得 即输入信号与反馈信号以电压的形式求和,而且,反馈电压将削弱外加输入电压的作用,使放大倍数降低。总之,以上分析说明,上图(a)电路中引入的反馈是电压串联负反馈。 为了便于分析引入反馈后的一般规律,常常利用方框来表示各种组态的负反馈。电压串联负反馈组态的方框图如上图(b)所示。图中有两个方框,上面的方框表示不加反馈时的放大网络,下面的方框表示反馈网络。反馈电压从放大电路的输出端根据输出电压采样而得到,然后在输入回路中与外加输入电压相减后得到净输入电压。 由方框图可见,放大网络的输入信号是净输入电压UI,输出信号是U。二者均为电压信号,故其放大倍数用符号Auu表示,称为放大网络的电压放大倍数,在上图(b)中,反馈网络的输入信号是放大电路的输出电压UO,它的输出信号是反馈电压Uf。反馈网络的反馈系数是Uf与UO之比,故用符号Fuu表示,所以反馈系数为 二、电压并联负反馈 在图5(a)所示的放大电路中,反馈信号If从放大电路的输出电压UO采样,属于电压反馈。而在输入回路中,净输入电流Ii等于外加输入电流Ii与反馈电流If之差,说明二者以电流形式求和。根据瞬时极性法,设输入电压的瞬时值升高,则输出电压将反相,即其瞬时值将降低,于是流过电阻RF的反馈电流将增大,但这个反馈电流将削弱输入电流的作用,使净输入电流减小。总之,此电路中的反馈是电压并联负反馈。 电压并联负反馈的方框图见上图(b)。放大网络的输入信号是净输入电流Ii,输入信号是放大电路的输入电压UO,它的放大倍数符号Aui表示,Aui量纲是电阻,故称之为放大网络的转移电阻。 反馈网络的输入信号是放大电路的输出电压UO,输出信号是反馈电流IF。反馈网络的反馈系数为If与UO之比,用符号Fiu表示,它的量纲是电导。在上图(a)的放大电路中,当集成运放的开环差模增益足够大时,可认人其反相输入端的电压近似等于零,因此反馈系数为 三、电流串联负反馈 在上图(a)所示的放大电路中,反馈电压为 即反馈电压与输出电流成正比。而在放大电路的输入回路中,净输入电压为 即外加输入信号与反馈信号以电压的形式求和。根据瞬时极性法,不难判断出此反馈电压将削弱输入电压的作用,使放大倍数降低,因此,这个反馈的组态是电流串联负反馈。 反馈网络的输入信号是放大电路的输出电流I。,输出信号是反馈电压Uf,反馈系数等于Uf与IO之比,用符号Fui表示,它的量纲是电阻,在上图(a)的电路中,反馈电压Uf=IORF,则反馈系数为 |














