一文看懂二个星三角启动二次线的接线电路图
时间:2022-12-11来源:佚名
|
现在很多的星三角降压启动已是软启动了,但经典的星三角的接线电路图,还是需要学习下的,有关二次线的实物接线,一个是手动星三角,一个是自动星三角,有需要的朋友参考下。 星三角启动二次线的电路图
图1:手动星三角 电机星型接法启动角形接法时运行,需要一个转换,从电路图上来了解下,这个实物接线清晰度比较高,线圈A1A2的触点和NO常开和NC常闭点均做了清晰的标注,在实际应用中可以做为参考。
图2:自动星三角 这里用到了时间继电器,可以实现自动转换,一定要分清时间继电器的触点。 2和7是对应的线圈,5和8是常闭触点,1和3是常开触点。自动和手动的接法类似,手动里的SB3按钮,常开点串的是角接触器的线圈,常闭点串的是星接触器的线圈。 星角两个接触器是互锁的关系。自动里的时间继电器接法相同,常开点串的是角接触器的线圈,常闭点串的是星接触器的线圈。
图3:星三角完整电路 星三角启动电路的实物接线图
几个星三角启动的电路实物接线图,整个接线图中包括停止按钮、启动按钮、时间继电器与电动机接线盒等设备,需要的朋友参考下。 三个接触器实现星三角启动的原理图
如何用接触器实现星三角启动功能,这里分享一个使用三个接触器实现星三角启动的原理图,帮助大家理解三接触器星三角启动的过程与控制原理。 电机星三角启动电路的实物接线图
有关电机星三角启动电路的原理,电机星三角启动电路的接线图,避免因接错线而造成星角启动失败的问题,通过具体的实例来分析电机星三角启动电路的正确接线方法。 星三角启动电机实现正反转的电路接线图
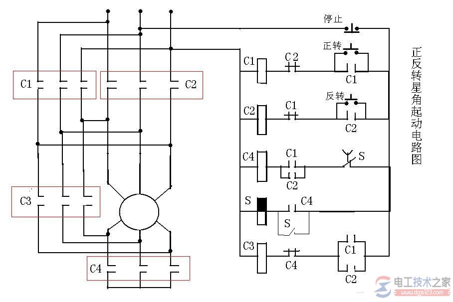
有关星三角启动电机正反转的电路图,提供了三张图供大家学习,学习下电动机星三角启动实现正反转控制电路的接线方法,需要的朋友参考下。 |















