电动机紧急停车电路图,提高急停控制的可靠性
时间:2022-12-11来源:佚名
|
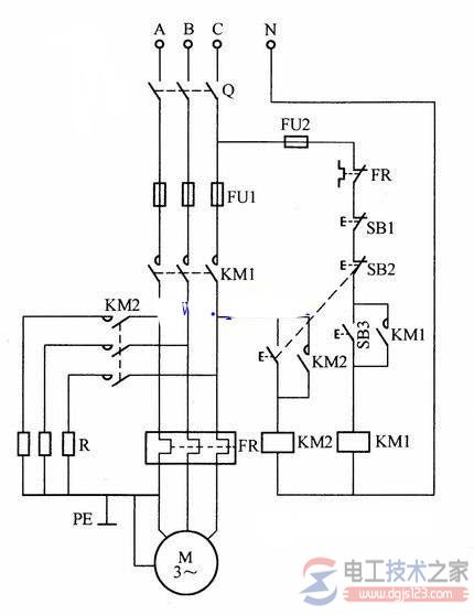
有关电动机紧急停车电路图,以接触器为电动机开关的紧急停车控制电路,KM1为电动机的起动接触器,KM2为急停接触器,SB1为停止按钮,SB2为急停按钮等。 在电机控制电路中,有时会出现急停信号发出后电动机开关不能立即断开或不能断开的现象,在以接触器作为电源开关的场合,此种现象比较多见,其主要原因在于,接触器的动、静铁心在油污的作用下相互粘连等。 为提高急停控制的可靠性,可采用下图所示电路。
此电路是一种以接触器为电动机开关的紧急停车控制电路。 |







