两地控制电路图_初级电工两地控制线路图
时间:2022-12-11来源:佚名
|
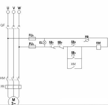
初级电工两地控制线路图 两地控制线路图:
本着从左到右、先主回路后控制回路的原则,先从主回路开始。 首先从上之下是三相交流电输送到QF(即操作开关,线路上画×表示此操作开关带有漏电检测功能)。然后输送到KM(即接触器控制线圈,中间虚线表示三个开关时连动的,即同时断开、同时合并)再经过FR(即热继电器)最后输送到三相异步电动机里。上图花的PE是接地,不过我们上课时好像大家都木有给电动机接地。 当合上操作开关QF后,电动机能转不?很显然是不能的。因为由于KM的控制,此时线路是断开的。送电后电动机不能转。这时就需要辅助电路来控制KM使其闭合,三项电形成回路使电动机转起来。 所谓两地控制就是在两个不同的地方可以控制电动机的关与停,所以一共有四个按钮分别,两个控制开、两个控制关。两个FU是熔断器,用来保护控制电路。KH是热继电器(和主回路上的那个是一个元件)KM是交流接触器(主回路何带开关的KM与它是一个元件),4个SB(按钮)和一个EL(即指示灯,又叫氖泡,因此无法测量好坏)。元件说完了。 控制原理和接线注意事项 |









