三相异步电动机控制线路图:顺序控制与多地控制
时间:2022-12-11来源:佚名
|
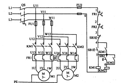
有关三相异步电动机的控制线路图,分为顺序控制线路、多地控制线路二种,重点介绍顺序起动控制电路,电动机顺序起动,逆序停止控制电路,以及多地控制电路的线路功能。 1、顺序控制线路 在装有多台电动机的生产机械上,各电动机所起的作用不同,有时会按一定的顺序起动,才可以保证操作过程的合理和工作的安全可靠。 这些顺序关系反映在控制线路上,称为顺序控制。图1为两台电动机的顺序起动控制线路。 该线路的控制特点:一是顺序起动即M1起动后M2才能起动,二是同时停止。
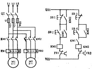
图1 顺序起动控制电路 顺序控制线路也有多种,图2是电动机的顺序起动、逆序停止控制线路,其控制特点是起动时必须先起动M1,才能起动M2;停止时必须先停止M2,M1才能停止。
|









