多点异地电动机控制电路的结构图解
时间:2022-12-11来源:佚名
|
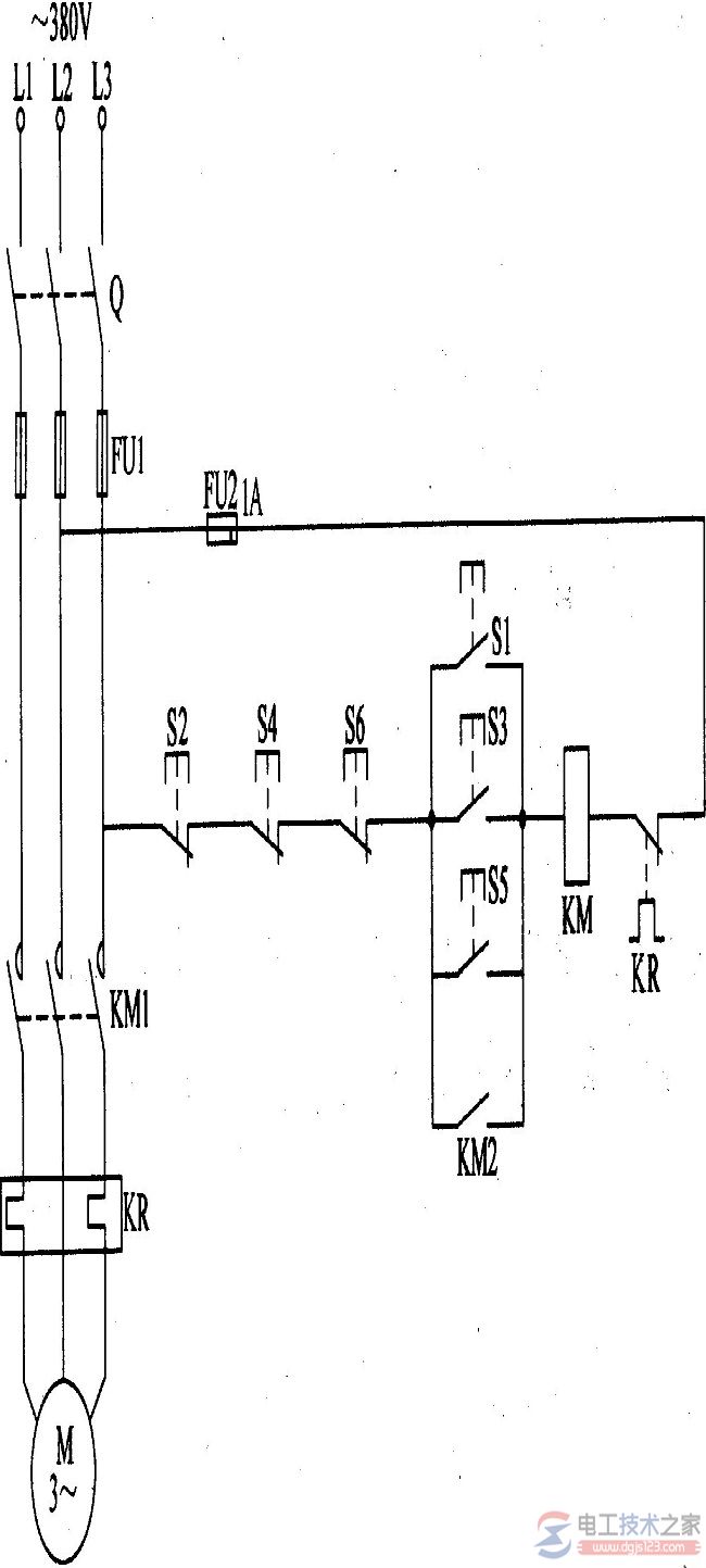
有关多点异地电动机控制电路的结构,多点控制电动机电路,它由刀开关Q、熔断器FUl、FU2、起动按钮Sl、S3、S5等组成,主回路与控制回路的组成。 多点控制电动机电路,它由刀开关Q、熔断器FUl、FU2、起动按钮Sl、S3、S5、停止按钮S2、叫、S6、交流接触器KM和热继电器KR组成,如图4-115。 电动机电气控制电路图
电动忧M的主回路由Q、FUl、KM的常开触头KMl和KR的热元件组成;控制回路由FU2、Sl-S6、KM的线圈、KM的常开辅助触头KM2和KR的常闭触头组成。 |







