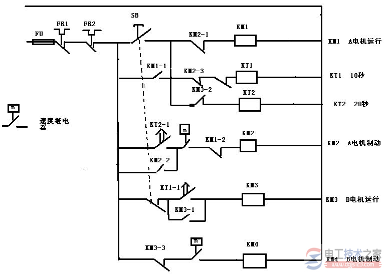
二台电动机实现顺序制动的电气原理图

时间:2022-12-11来源:佚名

分享二台电动机顺序制动的电气原理图,如何用对二台电动机实现顺序控制起启,顺序控制的工作原理与接线方式。

电动机顺序制动的电气原理图

如下:

二台电动机实现顺序制动的电气原理图

相关阅读

三相电压不平衡的分析及辨别方法

引起三相电压不平衡的原因有多种,如:单相接地 、断线谐振等,运行管理人员只有将其正确区分开来,才能快速处理。 一、 断线故障 如果一相断线但未接地,或断路器 、隔离开关...
2023-03-21
三相电压不平衡的分析及辨别方法

临时用电接线操作不容忽视!牢记以下6点,远离危险!

临时用电工作属于危险性较高的电工作业,故相关规程规范对临时用电都有很高的安全技术方面的要求。尤其是雨水肆虐的季节,临时用电接线若不遵守规范,将对作业电工或作业区域...
2023-06-11

电磁阀控制箱接线电路

在以前的视频中,已经介绍了很多关于控制的电路,相信大家在看了我的视频后,会很快理解控制电路。 现在我们接直介绍下面的电路,这是电磁阀控制箱的接线电路,准备一个转换开...
2023-05-11
电磁阀控制箱接线电路

伺服电机抱闸系统

今天我们介绍伺服电机抱闸系统,在伺服系统控制中,抱闸一般不是经常使用,伺服电机本身制动性能比较好。 对于220V抱闸系统,抱闸控制电路时通过发光三极管对IGBT进行无源控制,...
2023-03-29
伺服电机抱闸系统

屋里没有预留插座,只有灯开关怎么接插座?

家里装修有的地方忘了预留插座,只有灯开关怎么接插座?灯线一般都不会太粗,首先说接插座不能带太大负荷。而要接插座就需要一根零线和一根火线,而开关里面一般都是只有一根...
2023-04-03
屋里没有预留插座,只有灯开关怎么接插座?

热销商品

加厚abs安全帽电工建筑工地程施工领导监理透气防砸头盔可印字V型

这款加厚ABS安全帽专为电工、建筑工地施工人员、领导及监理设计,采用高强度ABS工程塑料,抗冲击、防砸性能优异,有效保障头部安全。帽体加厚设计,增强耐用性与防护等级...
5.8

欧普led筒灯3w孔灯超薄桶灯吊顶天花灯过道嵌入式洞灯客厅5w

欧普LED筒灯是一款高品质嵌入式照明产品,适用于客厅、过道、吊顶等多种场景。采用优质LED光源,提供3W和5W两种功率选择,光线柔和均匀,显色指数高,有效还原真实色彩。超...
7.45

水口钳高硬度模型剪钳电子钳工业级口水剪斜嘴钳偏口斜口专用钳子

水口钳高硬度模型剪钳是一款工业级精密工具,专为电子、模型制作及精细作业设计。采用优质高碳钢材质,经热处理工艺打造,具备卓越的硬度和耐磨性,可轻松剪切金属引脚、...
4.8

170电子剪钳II 如意斜口钳 工业斜嘴钳水口钳 模型剪塑胶钳尖嘴钳

170电子剪钳II如意斜口钳是一款专业级精密工具,集工业斜嘴钳、水口钳、模型剪、塑胶钳与尖嘴钳功能于一体,适用于电子维修、模型制作、手工艺及精密作业。其采用优...
4.5

安全帽国标工地加厚施工领导透气安全头盔建筑工程监理免费印字

本款安全帽严格遵循国家GB 2811-2019标准,专为建筑工程、工地施工及监理人员设计。采用高强度ABS工程塑料,加厚壳体有效抗冲击,保障头部安全。帽体轻盈透气,内置可调...
10

网站栏目