电动机的电气互锁与双重互锁实现正反转的电气原理图
|
本文介绍了电动机实现正反转控制的电气原理图,通过电气互锁的方式来实现电动机的正反转,或通过双重互锁的方式来实现电机的正反转控制,十分实用的电气原理图,一起来看下。 电动机的正反转电气原理图1、电气原理图
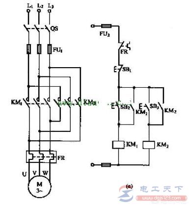
同时按下SB2和SB3,KM1和KM2线圈就会同时通电,其主触点闭合造成电源两相短路。 这种控制电路要pass掉。 2、电气互锁正反转原理图
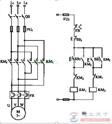
(b)图将KM1、KM2常闭辅触点串接在对方线圈电路中,形成相互制约的控制,称为互锁或联锁控制。 这种利用接触器(或继电器)常闭触点的互锁又称为电气互锁。该电路欲使电动机由正转到反转,或由反转到正转必须先按下停止按钮,而后再反向起动。 (b)的线路只能实现“正-停-反”或者“反-停-正”控制,这种控制电路对于需要频繁改变电动机运转方向的机械设备来说,极为不方便,应当舍弃这种电路。 3、双重互锁正反转电气原理图 特点:在图(b)电路基础上将正转起动按钮SB2与反转起动按钮SB3的常闭触点串接在对方常开触点电路中,利用按钮的常开、常闭触点的机械连接,在电路中互相制约的接法,称为机械互锁。 这种具有电气、机械双重互锁的控制电路是常用的、可靠的电动机正反转控制电路,它既可实现“正-停-反-停”控制,又可实现“正-反-停”控制。 为了实现电动机的正、反转,一般采用两个接触器切换三相电动机接入电源的相序即可。
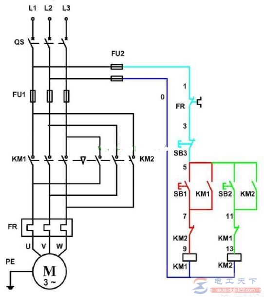
如图,图中采用KM1和KM2两个常闭触点互锁的电动机正、反转控制电路。互锁的目的是不让两个接触器同时吸合,如果两个接触器同时吸合会造成三相电源短路。 图中QS是闸刀开关,FU1是主电路保险丝,FU2是控制电路保险丝,FR是热继电保护器。 正向起动:合上QS,按下正向起动按钮SB1,KM1线圈得电使接触器KM1主触点吸合,电动机得电正向动转,此的电动机工作的电源相序为L1、L2、L3。接触器KM1吸合的同时也断开了电路中的常闭触点KM1,这就断开了反向起动按钮的SB2的通路,这是按下SB2,KM2也不会吸合。 反向起动:合上QS,按下SB2,KM2线圈得电使接触器KM2吸合,这时电动机工作的电源就是把L1和L3颠倒了,相序成了L3、L2、L1了,电动机朝另一个方向运行。 注意,常闭触点KM2切断SB1的后路,禁止KM1和KM2同时工作。 猜你喜欢:
以上就是电动机正反转控制的电气原理的全部内容,希望对大家有所帮助。 |












