三相异步电动机改发电机的接线图
时间:2022-12-11来源:佚名
|
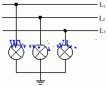
三相异步电动机如何改为发电机,这里分享一个三相异步电动机改发电机的接线方式图,三相异步电动机通过外加电容和动力拖动可改成发电机。 三相异步电动机改发电机的接线图三相异步电动机通过外加电容和动力拖动,可以改装成发电机。 外加电容分为主电容组和副电容组,主电容是使发电机在空载状态下自激达到额定电压输出的电容,副电容用于在加载状态下保持输出电压稳定和补偿感性负载的无功电流。 电动机的接线: 若三相异步电动机为星形连接,则不需改变连接方式,输出3根相线、1根零线,供给动力负荷和照明负荷。 若三相异步电动机为三角形连接,其线圈的连接方式要根据负载的形式确定。若是纯照明负载,可改为星形连接,此时输出的线电压为220V,相电压为127V,照明设备要接在两火线之间,负载分配要尽量平衡。 对于纯动力负载或既有动力也有照明的负载,则要按三角形连接。此时无零线输出,只输出380V的线电压。 如照明不多时,可将两只功率相同的灯泡串联后接在两火线之间;若照明灯具较多,则应将功率相同的灯具三个为一组接成Y后,再接到三相电源上,如图一所示。
图一 电容的接法: 电容的接法视三相电动机的接线可接成星形也可接成三角形,若电动机为三角形连接则电容只能接成三角形。图二中,电机为星形接法,电容为三角形接法。
图二 主电容组的容量参考下表:
所有电容都是无极性电容,耐压值450V。 另外,要使电动机能激磁发电,转子必须要存在剩磁通,如果接好线后,不能正常发电,可能是因为转子缺乏剩磁通的缘故,可用6V的直流电源随便给电动机其中的一相绕组通电几秒钟后,转子即会产生剩磁。 也可将电动机接到三相电源上,空转5~10min进行充磁后即可解决。 |









