定子绕组串电阻降压起动的控制线路
时间:2022-12-11来源:佚名
|
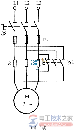
定子绕组串电阻降压起动的控制线路 1、降压起动控制线路:所谓降压起动就是使电压适当降低后再加到电动机定子绕组上,目的是为了限制起动电流,等电动机起动以后,再使电动机的定子绕组上的电压恢复到额定值。 由于电动机转矩与电压平方成正比,所以降压起动的起动转矩大为降低。 因此,减压起动方法仅适用于空载或轻载下起动的场合。 减压起动一般有下列几种方法。 2、定子绕组串电阻(或电抗器)的降压起动控制线路 起动时,可以手动也可自动,其线路如图7-4(a),为手动控制线路。--电工技术之家 合上电源开关QS1,由于定子绕组中串联电阻,起减压作用,因此,这时加到电动机定子绕组上的电压低于额定电压,这样就限制了起动电流。 随着电动机的起动,转速逐渐升高。 当电动机转速接近额定转速时,立即合上QS2,将电阻R短接,定子绕组上的电压便上升到额定工作电压,电动机处于正常运转状态。 手动控制线路在实际使用过程中,既不方便也不可靠。故一般均采用接触器、时间继电器来实现自动控制〔图7-4(b),其动作过程为:合上电源开关QS1,按下起动按钮SB1,接触器KM1与时间继电器KT的线圈同时通电KM1主触头闭合,由于KM2线圈的回路中,串有时间继电器KT延时闭合的动合触头而不能吸合,这时电动机定子绕组中串有电阻R,进行降压起动,电动机的转速逐步升高,当时间继电器KT达到预先整定的时间后,其延时闭合的动合触头闭合,KM2吸合,主触头闭合,将起动电阻R短接,电动机便处在额定电压下运转。通常KT的延时时间为4-8s。
|






